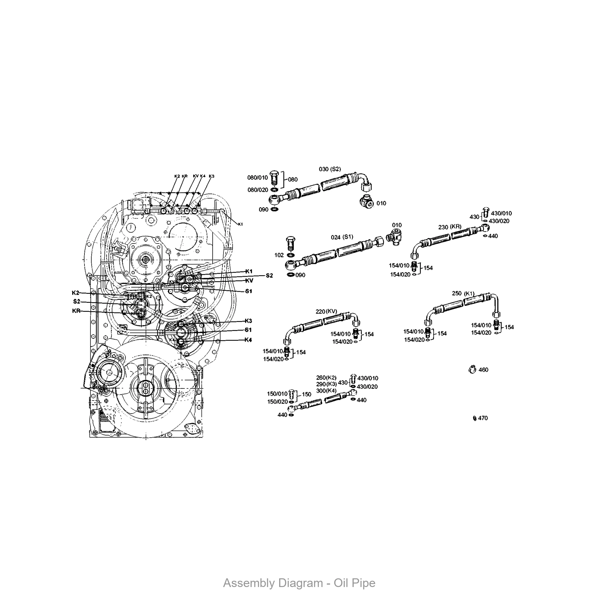
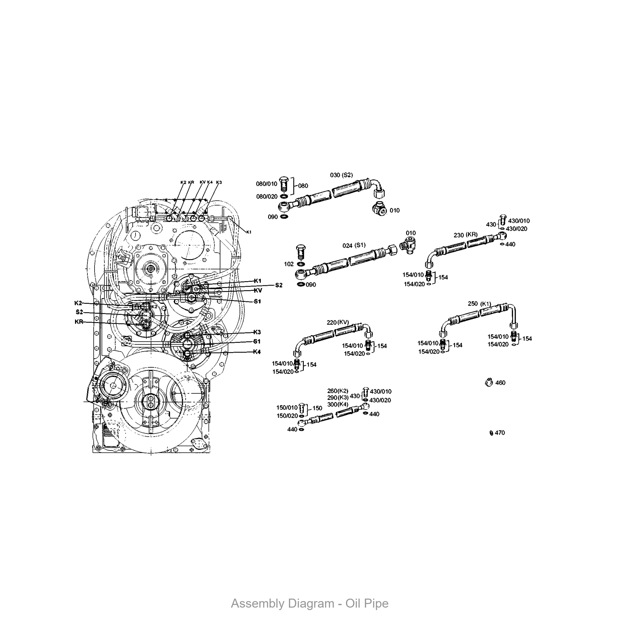
Overview
The ZF 0501.223.100 HOSE PIPE is a critical fluid conduit engineered for the WG 260 and WG 310 transmission series. This OEM genuine part, identified by SKU 0501.223.100, directs pressurized hydraulic oil between the valve body and the cooler circuit within the transmission housing. Positioned along the internal lubrication gallery, it ensures consistent oil flow to bearings and clutch packs. When paired with a robust TRANSMISSION HOUSING, this hose pipe maintains system pressure and prevents contamination ingress. Its precise routing and material composition are essential for heat dissipation and smooth gear engagement in heavy-duty applications.
Symptoms of Failure
- Hydraulic oil seepage near the transmission pan: A cracked or swollen hose pipe often causes slow drips, leaving visible puddles under the vehicle after extended operation.
- Erratic gear engagement or delayed shifting: Reduced line pressure from a compromised hose pipe leads to hesitation when transitioning between forward and reverse gears.
- Overheating transmission fluid: Restricted flow through a collapsed hose pipe starves the cooler, causing the transmission to run hotter than normal during heavy loads.
- Whining or groaning noises from the pump: Air ingestion through a split hose pipe creates cavitation, producing audible distress sounds from the hydraulic circuit.
Technical Specifications
| Parameter | Value |
|---|---|
| Part Number | 0501.223.100 |
| Material | Reinforced synthetic rubber with braided textile |
| Inner Diameter | 12.7 mm (0.5 in) |
| Outer Diameter | 19.0 mm (0.75 in) |
| Length | 410 mm (16.1 in) |
| Weight | 0.18 kg (0.4 lbs) |
| OEM Reference | ZF 0501.223.100 |
| Operating Pressure | 12 bar (174 psi) max |
| Temperature Range | -40°C to +120°C (-40°F to +248°F) |
Compatibility
This hose pipe is specifically validated for the ZF WG 260 and ZF WG 310 transmission families. It also fits select variants of the WG 180 and WG 200 series where the internal cooler line routing matches. Always verify the routing path within your HOUSING before installation. The part integrates with fasteners such as the HEXAGON SCREW and CAP SCREW to secure the assembly. For applications using a remote cooler, confirm the hose length matches your transmission’s specific port spacing.
Related Components
| Part Number | Name | Function |
|---|---|---|
| 4646101129 | TRANSMISSION HOUSING | Encloses gear sets and hydraulic circuits |
| 4646301317 | HOUSING | Supports valve body and oil channels |
| 0636015304 | HEXAGON SCREW | Secures hose pipe brackets to housing |
| 0636101828 | CAP SCREW | Fastens cover plates over hose routing |
| 4646301102 | COVER SHEET | Protects hose pipe from debris |
| 4646301285 | COVER SHEET | Shields adjacent hydraulic lines |
| 0631311009 | GROOVED STUD | Positions hose pipe alignment clips |
| 0636101193 | CAP SCREW | Mounts cooler line adapters |
| 0636010179 | HEXAGON SCREW | Attaches hose pipe to transmission body |
| 0636010172 | HEXAGON SCREW | Fixes hose pipe to cooler bracket |
Authorized ZF Distributor
We are a certified supplier of genuine ZF components.






