ZF 0501.223.156 PISTON PUMP
ZF Part Number: 0501.223.156 (also written as 0501223156 / 0501.223.156 / 0501 223 156)
Compatible ZF Transmission Models
This piston pump is used in the following ZF transmission models:
- ZF 4 WG 100(500)
- ZF 4 WG 110
- ZF 4 WG 110(500)
- ZF 4 WG 115
- ZF 4 WG 130
- ZF 4 WG 200(555/5)
- ZF 6 WG 115
- ZF 6 WG 200
- ZF 6 WG 200(555)
- ZF 6 WG 200(555/3)
- ZF 6 WG 200(555/5)
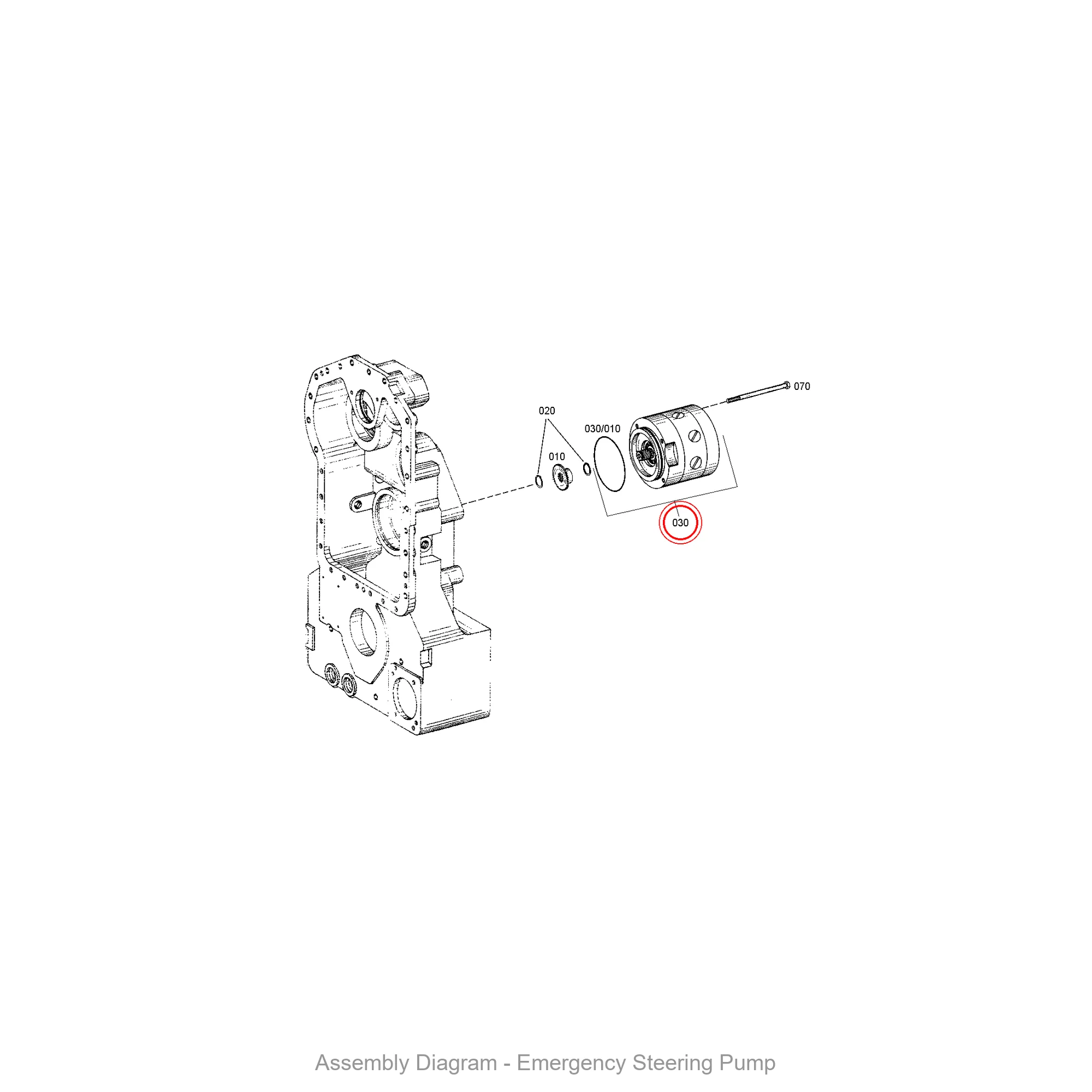
Part Location in Assembly
| Section | Position No. | Qty |
|---|---|---|
| Emergency Steering Pump | 030 | 1 |
Related Parts in Same Assembly
- 4644.301.225 — TRANSMISSION HOUSING (Qty: 1)
- 4475.280.023 — SCREW PLUG (Qty: 1)
- 0730.365.125 — TYPE PLATE (Qty: 1)
- 4644.301.298 — COVER PLATE (Qty: 1)
- 4644.301.192 — COVER PLATE (Qty: 1)
- 0636.015.278 — HEXAGON SCREW (Qty: 3)
- 0630.001.012 — WASHER (Qty: 3)
- 4466.351.081 — SEALING CAP (Qty: 2)
Frequently Asked Questions
What is ZF part number 0501.223.156?
ZF 0501.223.156 is an OEM piston pump produced by ZF Friedrichshafen AG, one of the world’s largest automotive suppliers. It is designed for use in ZF powershift transmissions, specifically in models such as 4 WG 100(500), 4 WG 110, 4 WG 110(500), 4 WG 115, 4 WG 130. This is a genuine ZF component, not an aftermarket reproduction.
Which ZF transmissions use 0501.223.156?
This piston pump is found in 11 ZF transmission variants, including: 4 WG 100(500), 4 WG 110, 4 WG 110(500), 4 WG 115, 4 WG 130, 4 WG 200(555/5), 6 WG 115, 6 WG 200, 6 WG 200(555), 6 WG 200(555/3). These transmissions are commonly used in wheel loaders, graders, and other heavy construction equipment. Contact us to verify fitment for your specific machine.
Where is ZF 0501.223.156 installed in the transmission?
This piston pump is located in the emergency steering pump area of the transmission. It appears in 30 different assembly configurations. In the service manual, look for position number 030 in the Emergency Steering Pump section.
How do I look up ZF part 0501.223.156?
This part can be found under several formats: 0501223156 / 0501.223.156 / 0501 223 156. All formats refer to the same genuine ZF component. When ordering, any of these numbers will work. The official ZF catalog uses the dotted format (0501.223.156).
Where can I buy ZF 0501.223.156?
You can purchase genuine ZF 0501.223.156 from PartsZF.com (operated by Tianjin Xiaohang Construction Machinery Co., Ltd). We maintain direct supply channels with ZF and offer worldwide shipping. Contact our parts specialists for current pricing and lead times.
Need this part? Contact our ZF parts specialist for pricing and availability. We ship worldwide with OEM quality guarantee.
Exploded View / Assembly Diagram
The diagram below shows where ZF 0501.223.156 is located within the transmission assembly.






