ZF 0501.314.265 SWITCH
ZF Part Number: 0501.314.265 (also written as 0501314265 / 0501.314.265 / 0501 314 265)
Compatible ZF Transmission Models
This switch is used in the following ZF transmission models:
- ZF 3 WG 200
- ZF 4 WG 65
- ZF 4 WG 65 II(D)
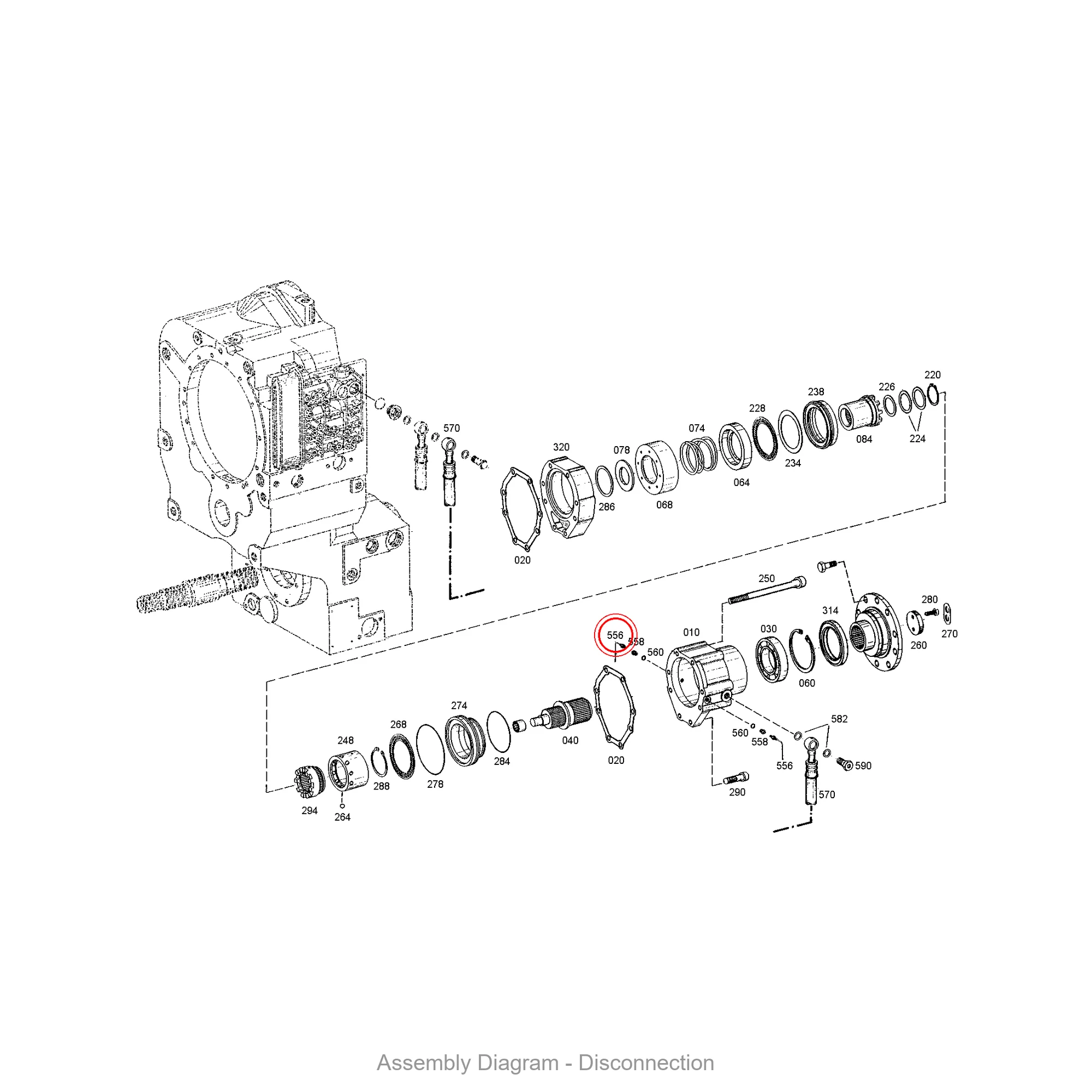
Part Location in Assembly
| Section | Position No. | Qty |
|---|---|---|
| Disconnection | 556 | 4 |
| Output | 05.440 | 2 |
| Output | 440 | 2 |
| Output | 770 | 2 |
Related Parts in Same Assembly
- 4616.101.089 — TRANSMISSION HOUSING (Qty: 1)
- 4616.102.057 — INPUT (Qty: 1)
- 4616.102.420 — INPUT (Qty: 1)
- 4616.103.089 — OUTPUT (Qty: 1)
- 4616.103.422 — OUTPUT (Qty: 1)
- 4616.105.051 — OUTPUT (Qty: 1)
- 4616.106.020 — SHIFT SYSTEM (Qty: 1)
- 4616.159.031 — SHIFT SYSTEM (Qty: 1)
Frequently Asked Questions
What is ZF part number 0501.314.265?
ZF 0501.314.265 is an OEM switch produced by ZF Friedrichshafen AG, one of the world’s largest automotive suppliers. It is designed for use in ZF powershift transmissions, specifically in models such as 3 WG 200, 4 WG 65, 4 WG 65 II(D). This is a genuine ZF component, not an aftermarket reproduction.
Which ZF transmissions use 0501.314.265?
This switch is found in 3 ZF transmission variants, including: 3 WG 200, 4 WG 65, 4 WG 65 II(D). These transmissions are commonly used in wheel loaders, graders, and other heavy construction equipment. Contact us to verify fitment for your specific machine.
Where is ZF 0501.314.265 installed in the transmission?
This switch is located in the disconnection, output area of the transmission. It appears in 13 different assembly configurations. In the service manual, look for position number 556 in the Disconnection section.
How do I look up ZF part 0501.314.265?
This part can be found under several formats: 0501314265 / 0501.314.265 / 0501 314 265. All formats refer to the same genuine ZF component. When ordering, any of these numbers will work. The official ZF catalog uses the dotted format (0501.314.265).
Where can I buy ZF 0501.314.265?
You can purchase genuine ZF 0501.314.265 from PartsZF.com (operated by Tianjin Xiaohang Construction Machinery Co., Ltd). We maintain direct supply channels with ZF and offer worldwide shipping. Contact our parts specialists for current pricing and lead times.
Need this part? Contact our ZF parts specialist for pricing and availability. We ship worldwide with OEM quality guarantee.
Exploded View / Assembly Diagram
The diagram below shows where ZF 0501.314.265 is located within the transmission assembly.





