ZF 0501.331.979 SCREEN FILTER
ZF Part Number: 0501.331.979 (also written as 0501331979 / 0501.331.979 / 0501 331 979)
Compatible ZF Transmission Models
This screen filter is used in the following ZF transmission models:
- ZF 3 WG 100(500)
- ZF 3 WG 130
- ZF 3 WG 131
- ZF 3 WG 160
- ZF 3 WG 171
- ZF 3 WG 190
- ZF 3 WG 191
- ZF 3 WG 200
- ZF 3 WG 201
- ZF 3 WG 210
- ZF 3 WG 211
- ZF 3 WG 251
- ZF 3 WG 260
- ZF 3 WG 261
- ZF 3 WG 310
…and 19 additional models. Contact us to confirm fitment for your specific unit.
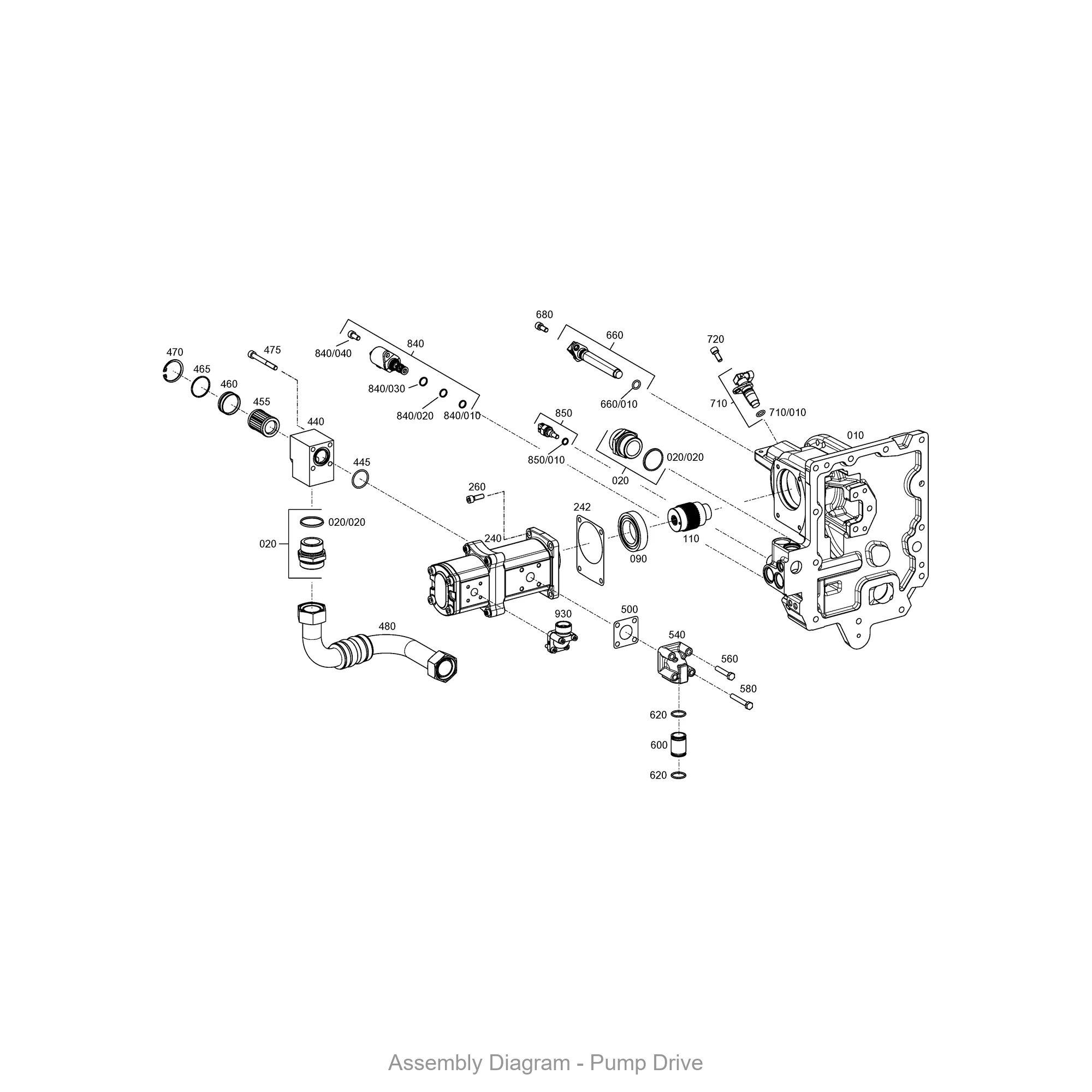
Part Location in Assembly
| Section | Position No. | Qty |
|---|---|---|
| Pump Drive | 180 | 1 |
| Pump Drive | 455 | 1 |
Related Parts in Same Assembly
- 0501.221.007 — OIL DISTRIBUTOR (Qty: 1)
- 0750.117.075 — TAPER ROLLER BEARING (Qty: 2)
- 2093.099.044 — T 7232 L (Qty: 1)
- 2093.101.060 — HOUSING (Qty: 1)
- 2093.109.022 — DIFFERENTIAL (Qty: 1)
- 2093.206.002 — GEARSHIFT SHAFT (Qty: 1)
- 2093.240.001 — LIFTING SHAFT (Qty: 1)
- 2093.252.007 — VALVE BLOCK (Qty: 1)
Frequently Asked Questions
What is ZF part number 0501.331.979?
ZF 0501.331.979 is an OEM screen filter produced by ZF Friedrichshafen AG, one of the world’s largest automotive suppliers. It is designed for use in ZF powershift transmissions, specifically in models such as 3 WG 100(500), 3 WG 130, 3 WG 131, 3 WG 160, 3 WG 171. This is a genuine ZF component, not an aftermarket reproduction.
Which ZF transmissions use 0501.331.979?
This screen filter is found in 34 ZF transmission variants, including: 3 WG 100(500), 3 WG 130, 3 WG 131, 3 WG 160, 3 WG 171, 3 WG 190, 3 WG 191, 3 WG 200, 3 WG 201, 3 WG 210. These transmissions are commonly used in wheel loaders, graders, and other heavy construction equipment. Contact us to verify fitment for your specific machine.
Where is ZF 0501.331.979 installed in the transmission?
This screen filter is located in the pump drive area of the transmission. It appears in 30 different assembly configurations. In the service manual, look for position number 180 in the Pump Drive section.
How do I look up ZF part 0501.331.979?
This part can be found under several formats: 0501331979 / 0501.331.979 / 0501 331 979. All formats refer to the same genuine ZF component. When ordering, any of these numbers will work. The official ZF catalog uses the dotted format (0501.331.979).
Where can I buy ZF 0501.331.979?
You can purchase genuine ZF 0501.331.979 from PartsZF.com (operated by Tianjin Xiaohang Construction Machinery Co., Ltd). We maintain direct supply channels with ZF and offer worldwide shipping. Contact our parts specialists for current pricing and lead times.
Need this part? Contact our ZF parts specialist for pricing and availability. We ship worldwide with OEM quality guarantee.
Exploded View / Assembly Diagram
The diagram below shows where ZF 0501.331.979 is located within the transmission assembly.






