ZF 0631.100.210 WOODRUFF KEY
ZF Part Number: 0631.100.210 (also written as 0631100210 / 0631.100.210 / 0631 100 210)
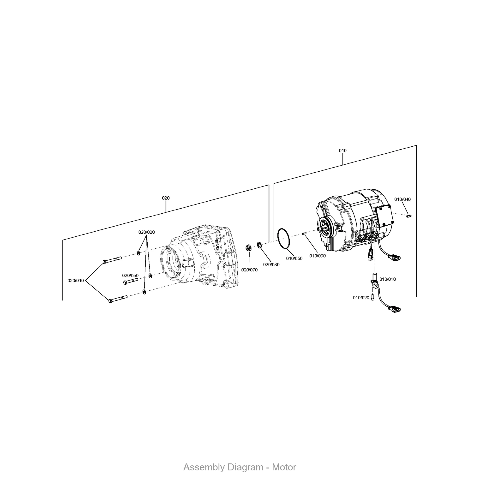
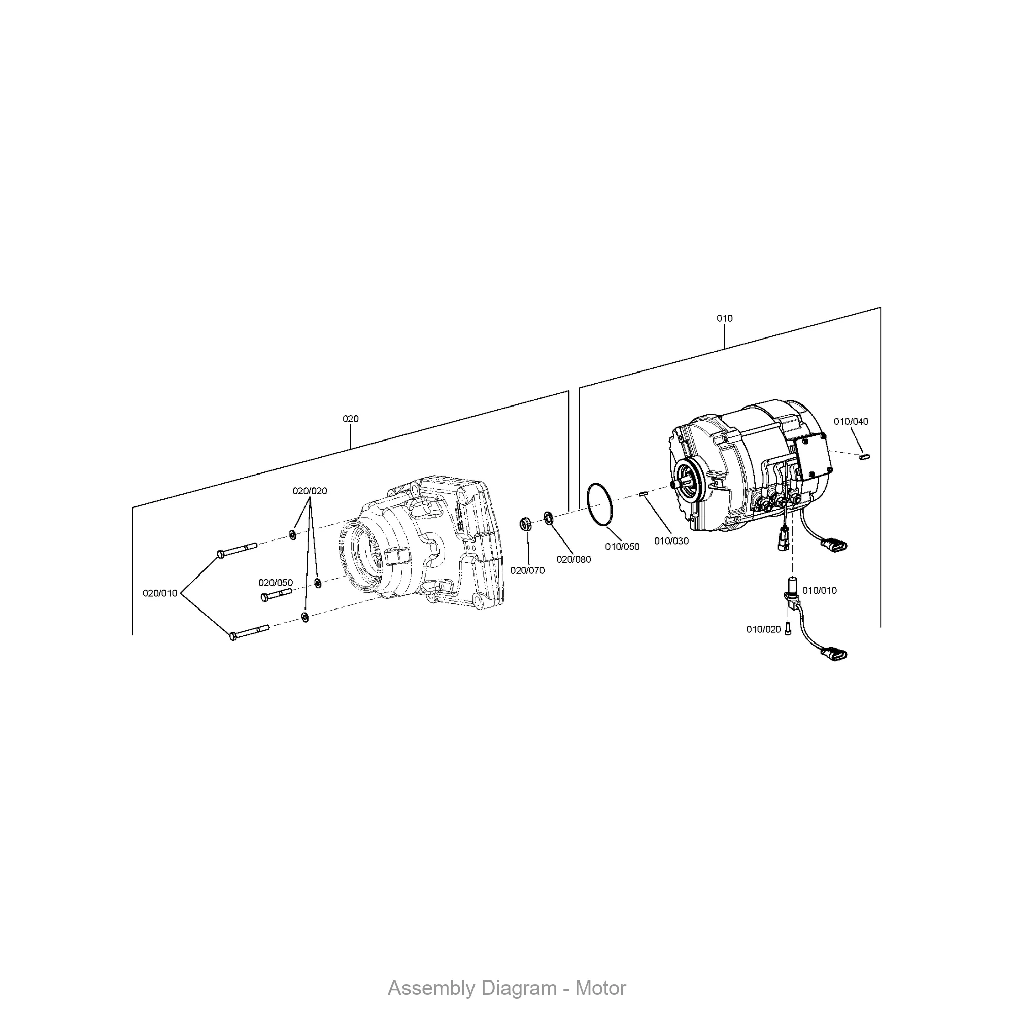
Part Location in Assembly
| Section | Position No. | Qty |
|---|---|---|
| Motor | 010/030 | 1 |
Application / Compatibility
| Assembly | Section | Model |
|---|---|---|
| 4699.825.132 | MOTOR | — |
| 4699.825.133 | MOTOR | — |
| 4699.825.151 | MOTOR | — |
| 4699.825.199 | MOTOR | — |
| 4699.825.200 | MOTOR | — |
| 4699.825.287 | MOTOR | — |
| 4699.825.288 | MOTOR | — |
Related Parts in Same Assembly
- 0501.335.277 — MOTOR (Qty: 1)
- 0501.338.815 — BRAKE (Qty: 1)
- 4699.025.066 — GP25 (Qty: 1)
- 4699.301.145 — HOUSING (Qty: 1)
- 4699.302.217 — DRIVE PINION (Qty: 1)
- 4699.309.054 — AXIAL BEARING (Qty: 1)
- 0501.338.128 — SENSOR (Qty: 1)
- 0636.115.275 — CAP SCREW (Qty: 1)
Frequently Asked Questions
What is ZF part number 0631.100.210?
ZF 0631.100.210 is an OEM woodruff key produced by ZF Friedrichshafen AG, one of the world’s largest automotive suppliers. It is designed for use in ZF powershift transmissions, specifically in models such as various ZF transmission models. This is a genuine ZF component, not an aftermarket reproduction.
Where is ZF 0631.100.210 installed in the transmission?
This woodruff key is located in the motor area of the transmission. It appears in 7 different assembly configurations. In the service manual, look for position number 010/030 in the Motor section.
How do I look up ZF part 0631.100.210?
This part can be found under several formats: 0631100210 / 0631.100.210 / 0631 100 210. All formats refer to the same genuine ZF component. When ordering, any of these numbers will work. The official ZF catalog uses the dotted format (0631.100.210).
Where can I buy ZF 0631.100.210?
You can purchase genuine ZF 0631.100.210 from PartsZF.com (operated by Tianjin Xiaohang Construction Machinery Co., Ltd). We maintain direct supply channels with ZF and offer worldwide shipping. Contact our parts specialists for current pricing and lead times.
Need this part? Contact our ZF parts specialist for pricing and availability. We ship worldwide with OEM quality guarantee.
Exploded View / Assembly Diagram
The diagram below shows where ZF 0631.100.210 is located within the transmission assembly.



