ZF 0636.100.817 CAP SCREW
ZF Part Number: 0636.100.817 (also written as 0636100817 / 0636.100.817 / 0636 100 817)
OEM Cross Reference / Interchange Numbers
ZF 0636.100.817 (CAP SCREW) is the original manufacturer part. The following OEM and third-party part numbers are direct cross-references:
| Brand / OEM | Part Number | Type |
|---|---|---|
| 柳工 | SP185621 | OEM Cross Ref |
If you are looking for 柳工 SP185621, the correct ZF original part number is 0636.100.817. This is a 100% genuine ZF replacement, guaranteed to be fully compatible with 柳工 equipment that uses ZF transmissions.
Compatible ZF Transmission Models
This cap screw is used in the following ZF transmission models:
- ZF 4 WG 115
- ZF 6 WG 115
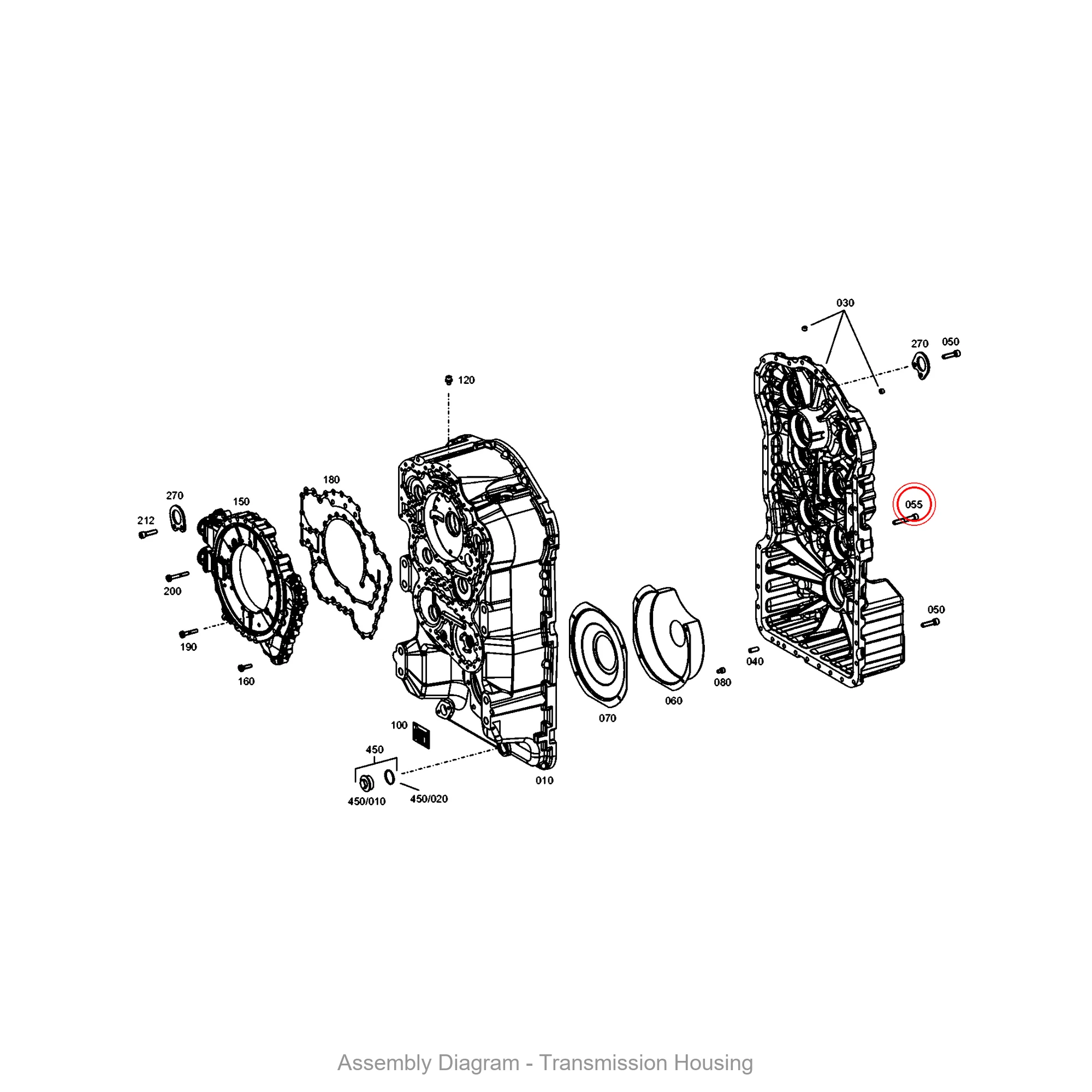
Part Location in Assembly
| Section | Position No. | Qty |
|---|---|---|
| Housing | 050 | 10 |
| Transmission Housing | 055 | 6 |
Related Parts in Same Assembly
- 0501.209.719 — INDUCTIVE SENSOR (Qty: 2)
- 0501.211.384 — VALVE (Qty: 1)
- 0501.214.894 — GEAR PUMP (Qty: 1)
- 0501.333.764 — PRESSURE FILTER (Qty: 1)
- 4168.030.267 — CONVERTER (Qty: 1)
- 4651.231.011 — OIL DIPSTICK (Qty: 1)
- 4656.201.075 — HOUS.FRONT SECT (Qty: 1)
- 4656.303.022 — OUTPUT SHAFT (Qty: 1)
Frequently Asked Questions
What is ZF part number 0636.100.817?
ZF 0636.100.817 is an OEM cap screw produced by ZF Friedrichshafen AG, one of the world’s largest automotive suppliers. It is designed for use in ZF powershift transmissions, specifically in models such as 4 WG 115, 6 WG 115. This is a genuine ZF component, not an aftermarket reproduction.
Which ZF transmissions use 0636.100.817?
This cap screw is found in 2 ZF transmission variants, including: 4 WG 115, 6 WG 115. These transmissions are commonly used in wheel loaders, graders, and other heavy construction equipment. Contact us to verify fitment for your specific machine.
Where is ZF 0636.100.817 installed in the transmission?
This cap screw is located in the transmission housing area of the transmission. It appears in 30 different assembly configurations. In the service manual, look for position number 050 in the Housing section.
How do I look up ZF part 0636.100.817?
This part can be found under several formats: 0636100817 / 0636.100.817 / 0636 100 817. All formats refer to the same genuine ZF component. When ordering, any of these numbers will work. The official ZF catalog uses the dotted format (0636.100.817).
Where can I buy ZF 0636.100.817?
You can purchase genuine ZF 0636.100.817 from PartsZF.com (operated by Tianjin Xiaohang Construction Machinery Co., Ltd). We maintain direct supply channels with ZF and offer worldwide shipping. Contact our parts specialists for current pricing and lead times.
Need this part? Contact our ZF parts specialist for pricing and availability. We ship worldwide with OEM quality guarantee.
Exploded View / Assembly Diagram
The diagram below shows where ZF 0636.100.817 is located within the transmission assembly.

Authorized ZF Distributor
We are a certified supplier of genuine ZF components.





