ZF 0636.302.014 SCREW PLUG
ZF Part Number: 0636.302.014 (also written as 0636302014 / 0636.302.014 / 0636 302 014)
OEM Cross Reference / Interchange Numbers
ZF 0636.302.014 (SCREW PLUG) is the original manufacturer part. The following OEM and third-party part numbers are direct cross-references:
| Brand / OEM | Part Number | Type |
|---|---|---|
| 徐工铲运RZ | 860324954 | OEM Cross Ref |
| 山东临工 | 7200001664 | OEM Cross Ref |
| 山东临工 | 4110001671058 | OEM Cross Ref |
| 柳工 | SP106524 | OEM Cross Ref |
| 柳工 | SP106524RE | OEM Cross Ref |
This ZF part (0636.302.014) directly replaces the following OEM numbers: 徐工铲运RZ: 860324954; 山东临工: 7200001664, 4110001671058; 柳工: SP106524, SP106524RE. All listed cross-reference numbers are confirmed compatible with ZF 0636.302.014.
Compatible ZF Transmission Models
This screw plug is used in the following ZF transmission models:
- ZF 3 WG 100
- ZF 3 WG 100(300)
- ZF 3 WG 200
- ZF 3 WG 201
- ZF 3 WG 310
- ZF 4 WG 100(400)
- ZF 4 WG 150
- ZF 4 WG 180
- ZF 4 WG 180(500)
- ZF 4 WG 200(500)
- ZF 4 WG 200(555/3)
- ZF 4 WG 200(555/5)
- ZF 4 WG 65
- ZF 4 WG 65 II(D)
- ZF 6 WG 181
…and 5 additional models. Contact us to confirm fitment for your specific unit.
Part Location in Assembly
| Section | Position No. | Qty |
|---|---|---|
| Crawler | 580 | 1 |
| Disconnection | 05.614 | 1 |
| Dispo Teile | 010/010/050 | 1 |
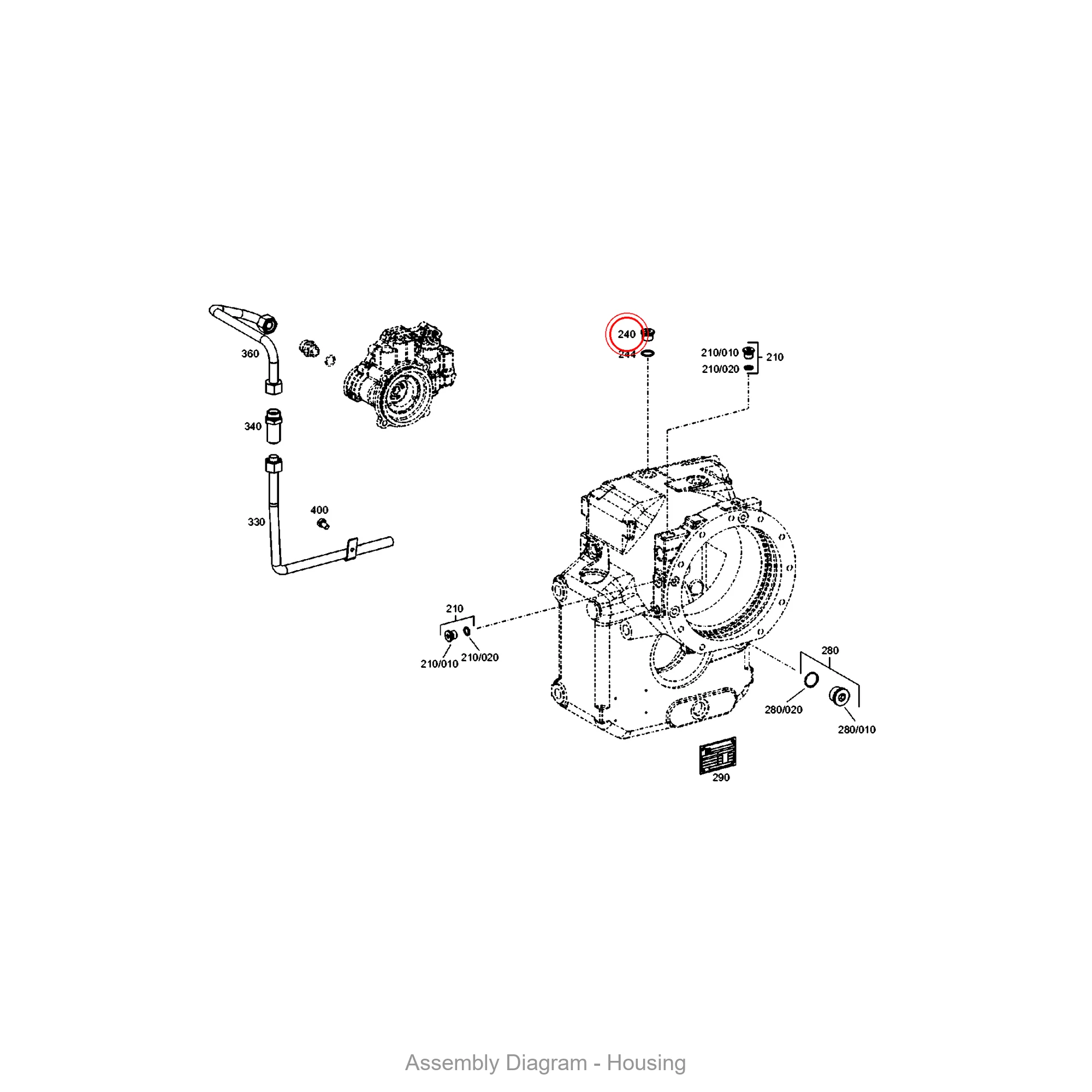
| Housing | 240 | 2 |
| Housing | 772 | 1 |
| Inching Valve | 290 | 2 |
| Inching Valve | 64.290 | 2 |
| Inductive Sensor | 030 | 1 |
| Inductive Sensor | 25.050 | 1 |
| Output | 05.470 | 1 |
| Output | 470 | 1 |
| Output | 580 | 1 |
Related Parts in Same Assembly
- 4108.201.177 — HOUSING (Qty: 1)
- 6053.308.350 — CONTROL COVER (Qty: 1)
- 0636.010.188 — HEXAGON SCREW (Qty: 4)
- 0735.410.173 — ROLLER BEARING (Qty: 1)
- 4108.201.200 — BEARING HOUSING (Qty: 1)
- 0636.010.192 — HEXAGON SCREW (Qty: 2)
- 0630.000.190 — SHIM RING (Qty: 1)
- 0630.000.197 — SHIM RING (Qty: 1)
Frequently Asked Questions
What is ZF part number 0636.302.014?
ZF 0636.302.014 is an OEM screw plug produced by ZF Friedrichshafen AG, one of the world’s largest automotive suppliers. It is designed for use in ZF powershift transmissions, specifically in models such as 3 WG 100, 3 WG 100(300), 3 WG 200, 3 WG 201, 3 WG 310. This is a genuine ZF component, not an aftermarket reproduction.
Which ZF transmissions use 0636.302.014?
This screw plug is found in 20 ZF transmission variants, including: 3 WG 100, 3 WG 100(300), 3 WG 200, 3 WG 201, 3 WG 310, 4 WG 100(400), 4 WG 150, 4 WG 180, 4 WG 180(500), 4 WG 200(500). These transmissions are commonly used in wheel loaders, graders, and other heavy construction equipment. Contact us to verify fitment for your specific machine.
Where is ZF 0636.302.014 installed in the transmission?
This screw plug is located in the housing, power take off area of the transmission. It appears in 30 different assembly configurations. In the service manual, look for position number 580 in the Crawler section.
How do I look up ZF part 0636.302.014?
This part can be found under several formats: 0636302014 / 0636.302.014 / 0636 302 014. All formats refer to the same genuine ZF component. When ordering, any of these numbers will work. The official ZF catalog uses the dotted format (0636.302.014).
Where can I buy ZF 0636.302.014?
You can purchase genuine ZF 0636.302.014 from PartsZF.com (operated by Tianjin Xiaohang Construction Machinery Co., Ltd). We maintain direct supply channels with ZF and offer worldwide shipping. Contact our parts specialists for current pricing and lead times.
Need this part? Contact our ZF parts specialist for pricing and availability. We ship worldwide with OEM quality guarantee.
Exploded View / Assembly Diagram
The diagram below shows where ZF 0636.302.014 is located within the transmission assembly.






