ZF 0636.305.004 SCREW PLUG
ZF Part Number: 0636.305.004 (also written as 0636305004 / 0636.305.004 / 0636 305 004)
Compatible ZF Transmission Models
This screw plug is used in the following ZF transmission models:
- ZF 4 WG 150
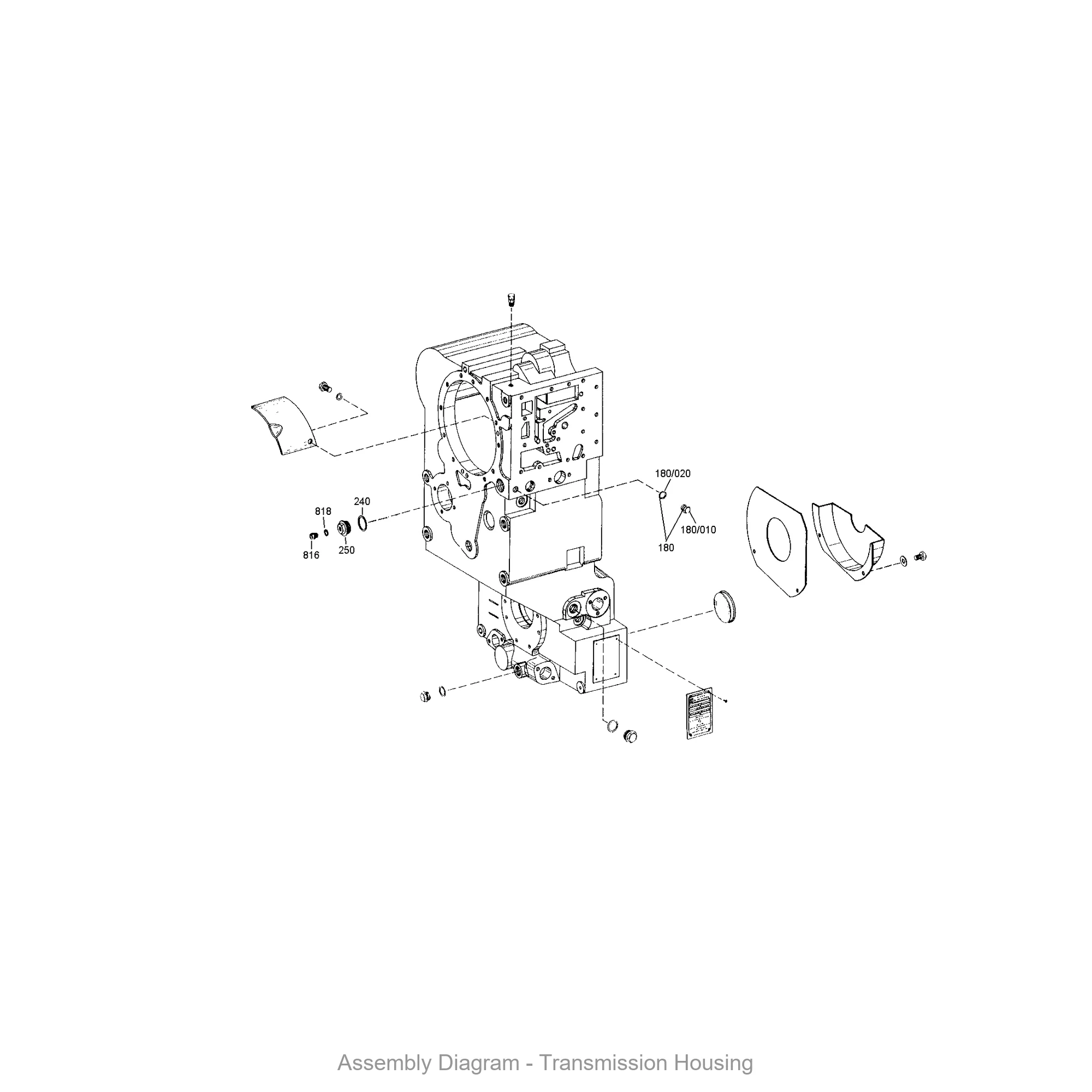
Part Location in Assembly
| Section | Position No. | Qty |
|---|---|---|
| Transmission Housing | 816 | 1 |
Related Parts in Same Assembly
- 0501.003.819 — BRAKE (Qty: 1)
- 0501.317.160 — INDUCTIVE SENSOR (Qty: 1)
- 4168.030.115 — CONVERTER (Qty: 1)
- 4642.221.149 — SUCTION TUBE (Qty: 1)
- 4642.301.182 — END COVER (Qty: 1)
- 4642.301.207 — TRANSMISSION HOUSING (Qty: 1)
- 4642.302.161 — INPUT SHAFT (Qty: 1)
- 4642.303.002 — OUTPUT SHAFT (Qty: 1)
Frequently Asked Questions
What is ZF part number 0636.305.004?
ZF 0636.305.004 is an OEM screw plug produced by ZF Friedrichshafen AG, one of the world’s largest automotive suppliers. It is designed for use in ZF powershift transmissions, specifically in models such as 4 WG 150. This is a genuine ZF component, not an aftermarket reproduction.
Which ZF transmissions use 0636.305.004?
This screw plug is found in 1 ZF transmission variants, including: 4 WG 150. These transmissions are commonly used in wheel loaders, graders, and other heavy construction equipment. Contact us to verify fitment for your specific machine.
Where is ZF 0636.305.004 installed in the transmission?
This screw plug is located in the transmission housing area of the transmission. It appears in 1 different assembly configurations. In the service manual, look for position number 816 in the Transmission Housing section.
How do I look up ZF part 0636.305.004?
This part can be found under several formats: 0636305004 / 0636.305.004 / 0636 305 004. All formats refer to the same genuine ZF component. When ordering, any of these numbers will work. The official ZF catalog uses the dotted format (0636.305.004).
Where can I buy ZF 0636.305.004?
You can purchase genuine ZF 0636.305.004 from PartsZF.com (operated by Tianjin Xiaohang Construction Machinery Co., Ltd). We maintain direct supply channels with ZF and offer worldwide shipping. Contact our parts specialists for current pricing and lead times.
Need this part? Contact our ZF parts specialist for pricing and availability. We ship worldwide with OEM quality guarantee.
Exploded View / Assembly Diagram
The diagram below shows where ZF 0636.305.004 is located within the transmission assembly.






