ZF 0730.002.204 SHIM
ZF Part Number: 0730.002.204 (also written as 0730002204 / 0730.002.204 / 0730 002 204)
Compatible ZF Transmission Models
This shim is used in the following ZF transmission models:
- ZF 3 WG 200
Part Location in Assembly
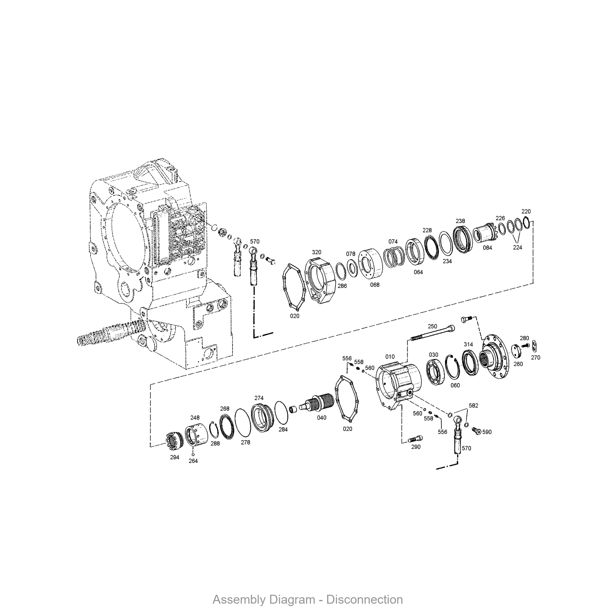
| Section | Position No. | Qty |
|---|---|---|
| Disconnection | 286/040 | 1 |
Related Parts in Same Assembly
- 0501.317.159 — INDUCTIVE SENSOR (Qty: 1)
- 0750.131.053 — REPLACEMENT FILTER (Qty: 1)
- 4642.231.127 — OIL LEVEL TUBE (Qty: 1)
- 4644.221.200 — SUCTION TUBE (Qty: 1)
- 4644.301.346 — TRANSMISSION HOUSING (Qty: 1)
- 4644.302.245 — INPUT SHAFT (Qty: 1)
- 4644.303.566 — OUTPUT SHAFT (Qty: 1)
- 4644.305.023 — HOUSING (Qty: 2)
Frequently Asked Questions
What is ZF part number 0730.002.204?
ZF 0730.002.204 is an OEM shim produced by ZF Friedrichshafen AG, one of the world’s largest automotive suppliers. It is designed for use in ZF powershift transmissions, specifically in models such as 3 WG 200. This is a genuine ZF component, not an aftermarket reproduction.
Which ZF transmissions use 0730.002.204?
This shim is found in 1 ZF transmission variants, including: 3 WG 200. These transmissions are commonly used in wheel loaders, graders, and other heavy construction equipment. Contact us to verify fitment for your specific machine.
Where is ZF 0730.002.204 installed in the transmission?
This shim is located in the disconnection area of the transmission. It appears in 2 different assembly configurations. In the service manual, look for position number 286/040 in the Disconnection section.
How do I look up ZF part 0730.002.204?
This part can be found under several formats: 0730002204 / 0730.002.204 / 0730 002 204. All formats refer to the same genuine ZF component. When ordering, any of these numbers will work. The official ZF catalog uses the dotted format (0730.002.204).
Where can I buy ZF 0730.002.204?
You can purchase genuine ZF 0730.002.204 from PartsZF.com (operated by Tianjin Xiaohang Construction Machinery Co., Ltd). We maintain direct supply channels with ZF and offer worldwide shipping. Contact our parts specialists for current pricing and lead times.
Need this part? Contact our ZF parts specialist for pricing and availability. We ship worldwide with OEM quality guarantee.
Exploded View / Assembly Diagram
The diagram below shows where ZF 0730.002.204 is located within the transmission assembly.



