ZF 0730.109.217 SHIM
ZF Part Number: 0730.109.217 (also written as 0730109217 / 0730.109.217 / 0730 109 217)
Compatible ZF Transmission Models
This shim is used in the following ZF transmission models:
- ZF 3 WG 260
- ZF 3 WG 310
- ZF 4 WG 260(2)
- ZF 4 WG 310
- ZF 6 WG 260
- ZF 6 WG 310
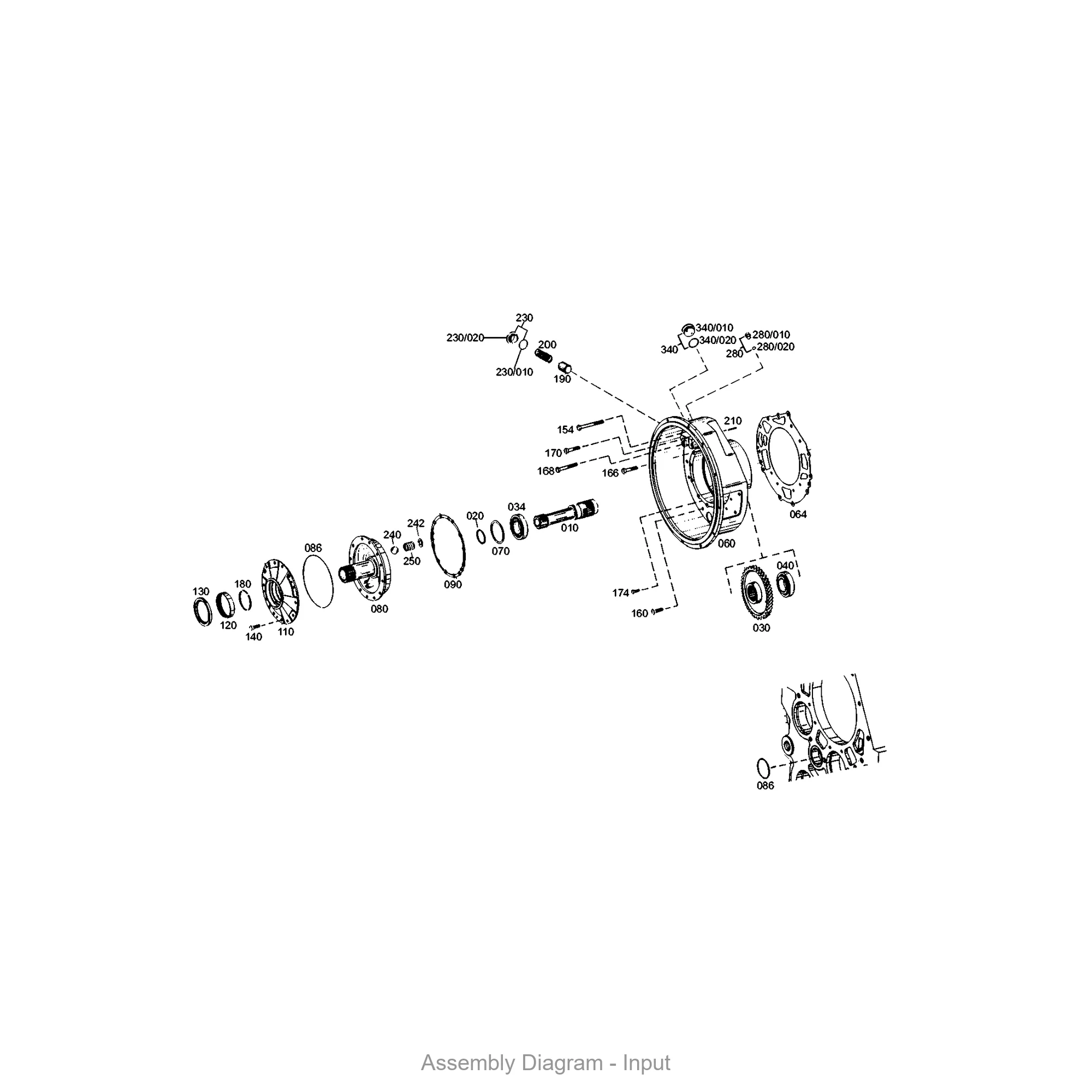
Part Location in Assembly
| Section | Position No. | Qty |
|---|---|---|
| Input | 070/210 | 1 |
Related Parts in Same Assembly
- 0501.008.365 — DISC BRAKE (Qty: 1)
- 0501.209.719 — INDUCTIVE SENSOR (Qty: 1)
- 0501.213.027 — GEAR PUMP (Qty: 1)
- 0501.214.082 — SUCTION FILTER (Qty: 1)
- 0501.216.209 — RANGE SELECTOR (Qty: 1)
- 0637.100.508 — UNION SCREW (Qty: 3)
- 4168.037.052 — CONVERTER (Qty: 1)
- 4642.301.106 — SEALING CAP (Qty: 1)
Frequently Asked Questions
What is ZF part number 0730.109.217?
ZF 0730.109.217 is an OEM shim produced by ZF Friedrichshafen AG, one of the world’s largest automotive suppliers. It is designed for use in ZF powershift transmissions, specifically in models such as 3 WG 260, 3 WG 310, 4 WG 260(2), 4 WG 310, 6 WG 260. This is a genuine ZF component, not an aftermarket reproduction.
Which ZF transmissions use 0730.109.217?
This shim is found in 6 ZF transmission variants, including: 3 WG 260, 3 WG 310, 4 WG 260(2), 4 WG 310, 6 WG 260, 6 WG 310. These transmissions are commonly used in wheel loaders, graders, and other heavy construction equipment. Contact us to verify fitment for your specific machine.
Where is ZF 0730.109.217 installed in the transmission?
This shim is located in the input area of the transmission. It appears in 24 different assembly configurations. In the service manual, look for position number 070/210 in the Input section.
How do I look up ZF part 0730.109.217?
This part can be found under several formats: 0730109217 / 0730.109.217 / 0730 109 217. All formats refer to the same genuine ZF component. When ordering, any of these numbers will work. The official ZF catalog uses the dotted format (0730.109.217).
Where can I buy ZF 0730.109.217?
You can purchase genuine ZF 0730.109.217 from PartsZF.com (operated by Tianjin Xiaohang Construction Machinery Co., Ltd). We maintain direct supply channels with ZF and offer worldwide shipping. Contact our parts specialists for current pricing and lead times.
Need this part? Contact our ZF parts specialist for pricing and availability. We ship worldwide with OEM quality guarantee.
Exploded View / Assembly Diagram
The diagram below shows where ZF 0730.109.217 is located within the transmission assembly.






