ZF 0732.041.692 COMPRESSION SPRING
ZF Part Number: 0732.041.692 (also written as 0732041692 / 0732.041.692 / 0732 041 692)
Compatible ZF Transmission Models
This compression spring is used in the following ZF transmission models:
- ZF 3 WG 200
- ZF 4 WG 100(400)
- ZF 4 WG 100(500)
- ZF 4 WG 150
- ZF 4 WG 180
- ZF 4 WG 180(500)
- ZF 4 WG 200(500)
- ZF 4 WG 200(555/3)
- ZF 4 WG 200(555/5)
- ZF 6 WG 200(555/3)
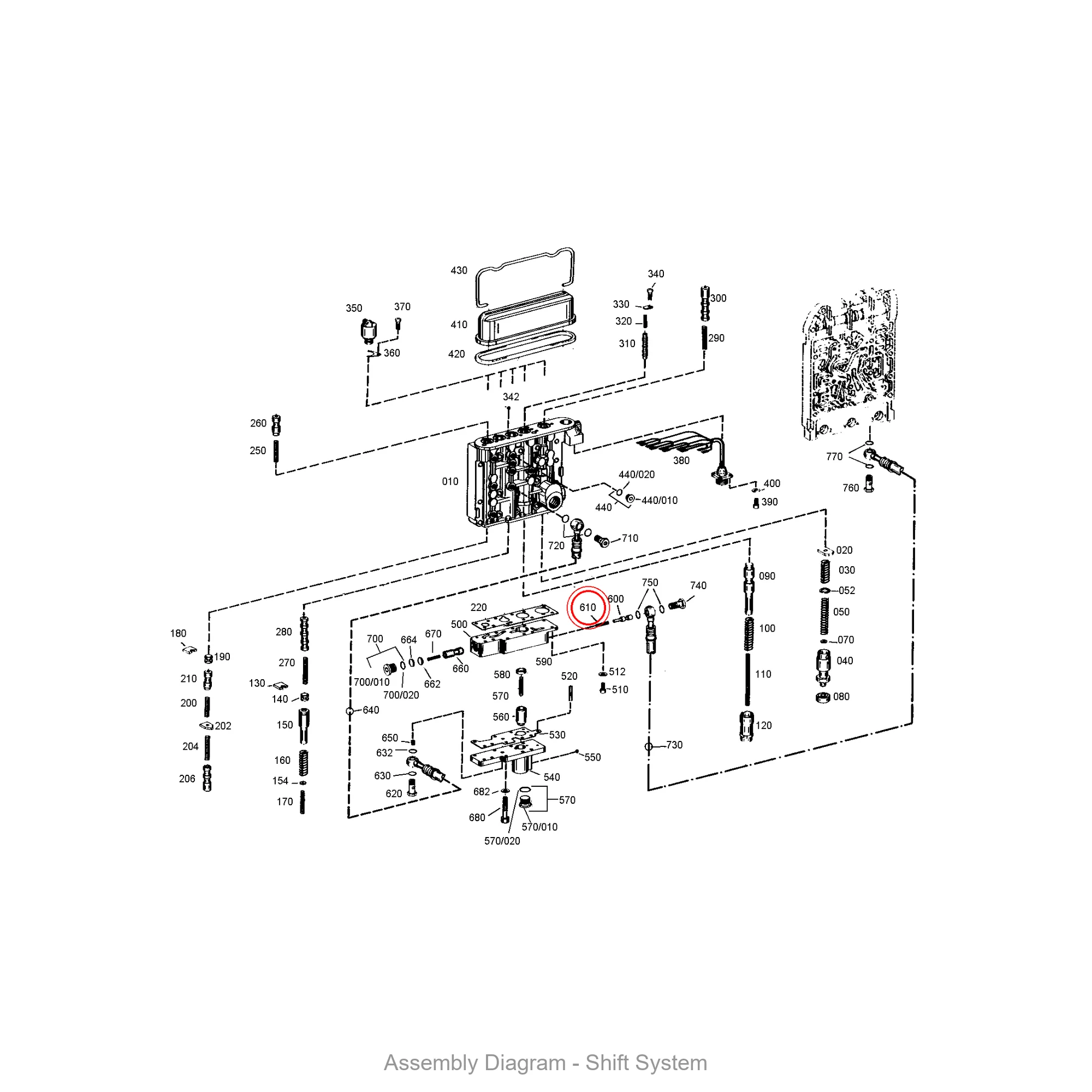
Part Location in Assembly
| Section | Position No. | Qty |
|---|---|---|
| Shift System | 610 | 1 |
| Shift System | 680 | 1 |
Related Parts in Same Assembly
- 0501.003.819 — BRAKE (Qty: 1)
- 0501.317.160 — INDUCTIVE SENSOR (Qty: 1)
- 0750.131.053 — REPLACEMENT FILTER (Qty: 1)
- 4168.030.110 — CONVERTER (Qty: 1)
- 4642.221.149 — SUCTION TUBE (Qty: 1)
- 4642.301.205 — TRANSMISSION HOUSING (Qty: 1)
- 4642.302.161 — INPUT SHAFT (Qty: 1)
- 4642.303.002 — OUTPUT SHAFT (Qty: 1)
Frequently Asked Questions
What is ZF part number 0732.041.692?
ZF 0732.041.692 is an OEM compression spring produced by ZF Friedrichshafen AG, one of the world’s largest automotive suppliers. It is designed for use in ZF powershift transmissions, specifically in models such as 3 WG 200, 4 WG 100(400), 4 WG 100(500), 4 WG 150, 4 WG 180. This is a genuine ZF component, not an aftermarket reproduction.
Which ZF transmissions use 0732.041.692?
This compression spring is found in 10 ZF transmission variants, including: 3 WG 200, 4 WG 100(400), 4 WG 100(500), 4 WG 150, 4 WG 180, 4 WG 180(500), 4 WG 200(500), 4 WG 200(555/3), 4 WG 200(555/5), 6 WG 200(555/3). These transmissions are commonly used in wheel loaders, graders, and other heavy construction equipment. Contact us to verify fitment for your specific machine.
Where is ZF 0732.041.692 installed in the transmission?
This compression spring is located in the shift system area of the transmission. It appears in 14 different assembly configurations. In the service manual, look for position number 610 in the Shift System section.
How do I look up ZF part 0732.041.692?
This part can be found under several formats: 0732041692 / 0732.041.692 / 0732 041 692. All formats refer to the same genuine ZF component. When ordering, any of these numbers will work. The official ZF catalog uses the dotted format (0732.041.692).
Where can I buy ZF 0732.041.692?
You can purchase genuine ZF 0732.041.692 from PartsZF.com (operated by Tianjin Xiaohang Construction Machinery Co., Ltd). We maintain direct supply channels with ZF and offer worldwide shipping. Contact our parts specialists for current pricing and lead times.
Need this part? Contact our ZF parts specialist for pricing and availability. We ship worldwide with OEM quality guarantee.
Exploded View / Assembly Diagram
The diagram below shows where ZF 0732.041.692 is located within the transmission assembly.

Authorized ZF Distributor
We are a certified supplier of genuine ZF components.






