ZF 0735.470.197 ROLLER SET
ZF Part Number: 0735.470.197 (also written as 0735470197 / 0735.470.197 / 0735 470 197)
Compatible ZF Transmission Models
This roller set is used in the following ZF transmission models:
- ZF 3 WG 310
- ZF 3 WG 310(4)
- ZF 6 WG 250
- ZF 6 WG 260
- ZF 6 WG 310
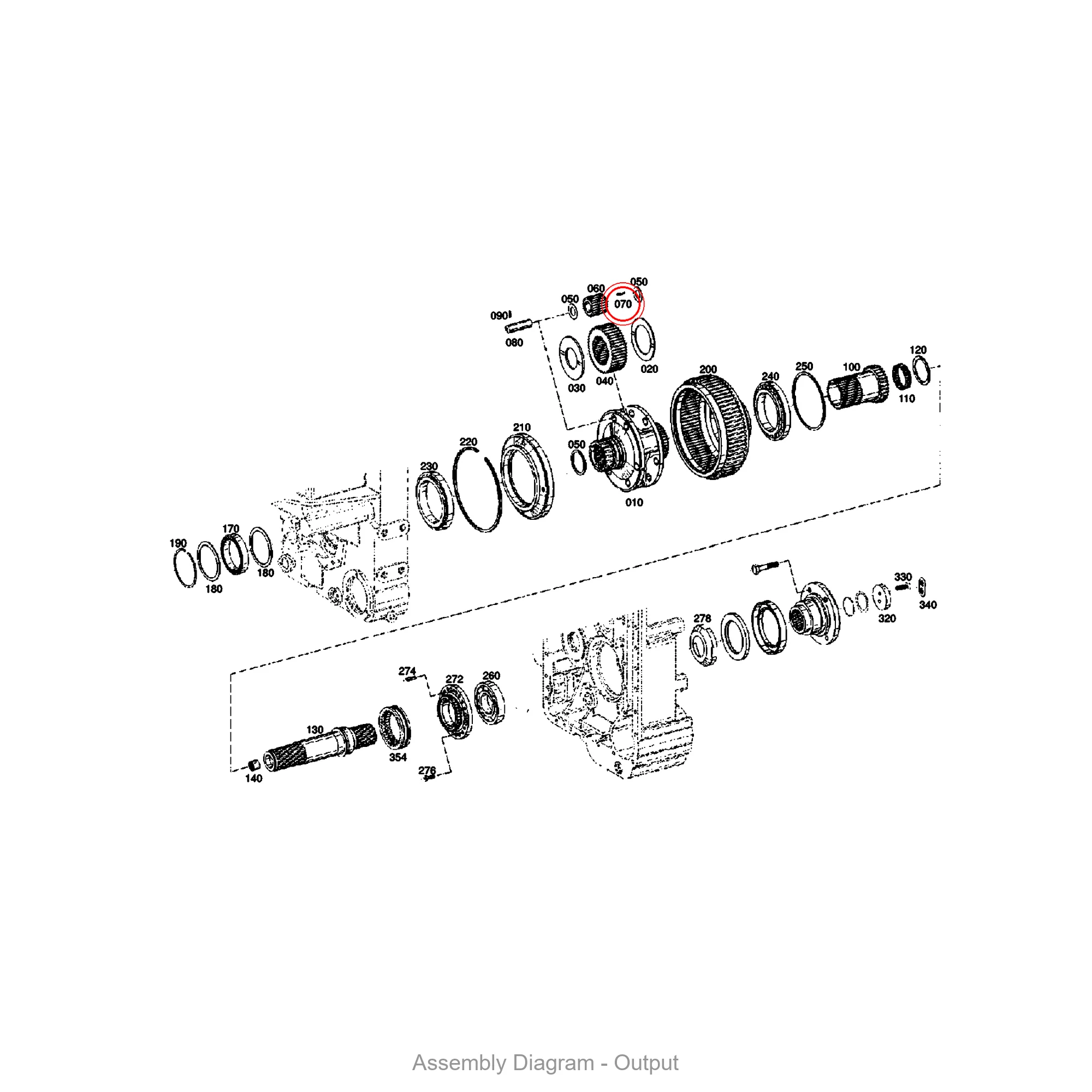
Part Location in Assembly
| Section | Position No. | Qty |
|---|---|---|
| Crawler | 070 | 6 |
| Output | 070 | 6 |
Related Parts in Same Assembly
- 0501.208.244 — SUCTION FILTER (Qty: 1)
- 0501.213.026 — GEAR PUMP (Qty: 1)
- 0501.223.158 — PISTON PUMP (Qty: 1)
- 0637.100.508 — UNION SCREW (Qty: 3)
- 4168.037.034 — CONVERTER (Qty: 1)
- 4644.306.560 — VALVE BLOCK (Qty: 1)
- 4646.301.104 — HOUSING (Qty: 1)
- 4646.302.013 — INPUT SHAFT (Qty: 1)
Frequently Asked Questions
What is ZF part number 0735.470.197?
ZF 0735.470.197 is an OEM roller set produced by ZF Friedrichshafen AG, one of the world’s largest automotive suppliers. It is designed for use in ZF powershift transmissions, specifically in models such as 3 WG 310, 3 WG 310(4), 6 WG 250, 6 WG 260, 6 WG 310. This is a genuine ZF component, not an aftermarket reproduction.
Which ZF transmissions use 0735.470.197?
This roller set is found in 5 ZF transmission variants, including: 3 WG 310, 3 WG 310(4), 6 WG 250, 6 WG 260, 6 WG 310. These transmissions are commonly used in wheel loaders, graders, and other heavy construction equipment. Contact us to verify fitment for your specific machine.
Where is ZF 0735.470.197 installed in the transmission?
This roller set is located in the crawler, output area of the transmission. It appears in 11 different assembly configurations. In the service manual, look for position number 070 in the Crawler section.
How do I look up ZF part 0735.470.197?
This part can be found under several formats: 0735470197 / 0735.470.197 / 0735 470 197. All formats refer to the same genuine ZF component. When ordering, any of these numbers will work. The official ZF catalog uses the dotted format (0735.470.197).
How do I replace ZF 0735.470.197?
Replacement of ZF 0735.470.197 should be performed by a qualified technician. Ensure the transmission is drained and the housing is properly supported before removal. Always replace bearings in pairs when possible.
What is the expected service life of ZF 0735.470.197?
Under normal operating conditions with proper lubrication, this bearing typically lasts the full transmission overhaul interval. Replace during scheduled overhauls or if abnormal noise, vibration, or increased operating temperature is detected.
Where can I buy ZF 0735.470.197?
You can purchase genuine ZF 0735.470.197 from PartsZF.com (operated by Tianjin Xiaohang Construction Machinery Co., Ltd). We maintain direct supply channels with ZF and offer worldwide shipping. Contact our parts specialists for current pricing and lead times.
Need this part? Contact our ZF parts specialist for pricing and availability. We ship worldwide with OEM quality guarantee.
Exploded View / Assembly Diagram
The diagram below shows where ZF 0735.470.197 is located within the transmission assembly.



