ZF 0750.118.116 ROLLER BEARING
ZF Part Number: 0750.118.116 (also written as 0750118116 / 0750.118.116 / 0750 118 116)
Compatible ZF Transmission Models
This roller bearing is used in the following ZF transmission models:
- ZF 3 WG 200
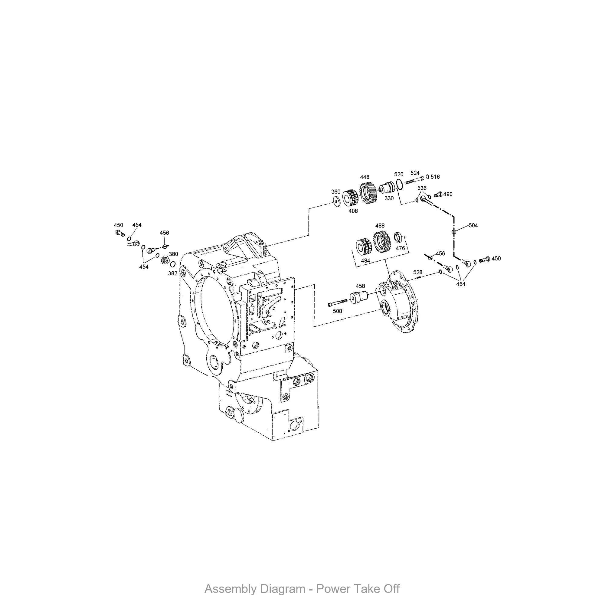
Part Location in Assembly
| Section | Position No. | Qty |
|---|---|---|
| Power Take Off | 408 | 1 |
| Power Take Off | 484 | 1 |
Related Parts in Same Assembly
- 0501.317.159 — INDUCTIVE SENSOR (Qty: 1)
- 0750.131.053 — REPLACEMENT FILTER (Qty: 1)
- 4642.231.127 — OIL LEVEL TUBE (Qty: 1)
- 4644.221.200 — SUCTION TUBE (Qty: 1)
- 4644.301.346 — TRANSMISSION HOUSING (Qty: 1)
- 4644.302.245 — INPUT SHAFT (Qty: 1)
- 4644.303.566 — OUTPUT SHAFT (Qty: 1)
- 4644.305.023 — HOUSING (Qty: 2)
Frequently Asked Questions
What is ZF part number 0750.118.116?
ZF 0750.118.116 is an OEM roller bearing produced by ZF Friedrichshafen AG, one of the world’s largest automotive suppliers. It is designed for use in ZF powershift transmissions, specifically in models such as 3 WG 200. This is a genuine ZF component, not an aftermarket reproduction.
Which ZF transmissions use 0750.118.116?
This roller bearing is found in 1 ZF transmission variants, including: 3 WG 200. These transmissions are commonly used in wheel loaders, graders, and other heavy construction equipment. Contact us to verify fitment for your specific machine.
Where is ZF 0750.118.116 installed in the transmission?
This roller bearing is located in the power take off area of the transmission. It appears in 2 different assembly configurations. In the service manual, look for position number 408 in the Power Take Off section.
How do I look up ZF part 0750.118.116?
This part can be found under several formats: 0750118116 / 0750.118.116 / 0750 118 116. All formats refer to the same genuine ZF component. When ordering, any of these numbers will work. The official ZF catalog uses the dotted format (0750.118.116).
How do I replace ZF 0750.118.116?
Replacement of ZF 0750.118.116 should be performed by a qualified technician. Ensure the transmission is drained and the housing is properly supported before removal. Always replace bearings in pairs when possible.
What is the expected service life of ZF 0750.118.116?
Under normal operating conditions with proper lubrication, this bearing typically lasts the full transmission overhaul interval. Replace during scheduled overhauls or if abnormal noise, vibration, or increased operating temperature is detected.
Where can I buy ZF 0750.118.116?
You can purchase genuine ZF 0750.118.116 from PartsZF.com (operated by Tianjin Xiaohang Construction Machinery Co., Ltd). We maintain direct supply channels with ZF and offer worldwide shipping. Contact our parts specialists for current pricing and lead times.
Need this part? Contact our ZF parts specialist for pricing and availability. We ship worldwide with OEM quality guarantee.
Exploded View / Assembly Diagram
The diagram below shows where ZF 0750.118.116 is located within the transmission assembly.





