ZF 0750.147.201 HOSE PIPE
ZF Part Number: 0750.147.201 (also written as 0750147201 / 0750.147.201 / 0750 147 201)
Compatible ZF Transmission Models
This hose pipe is used in the following ZF transmission models:
- ZF 3 WG 200
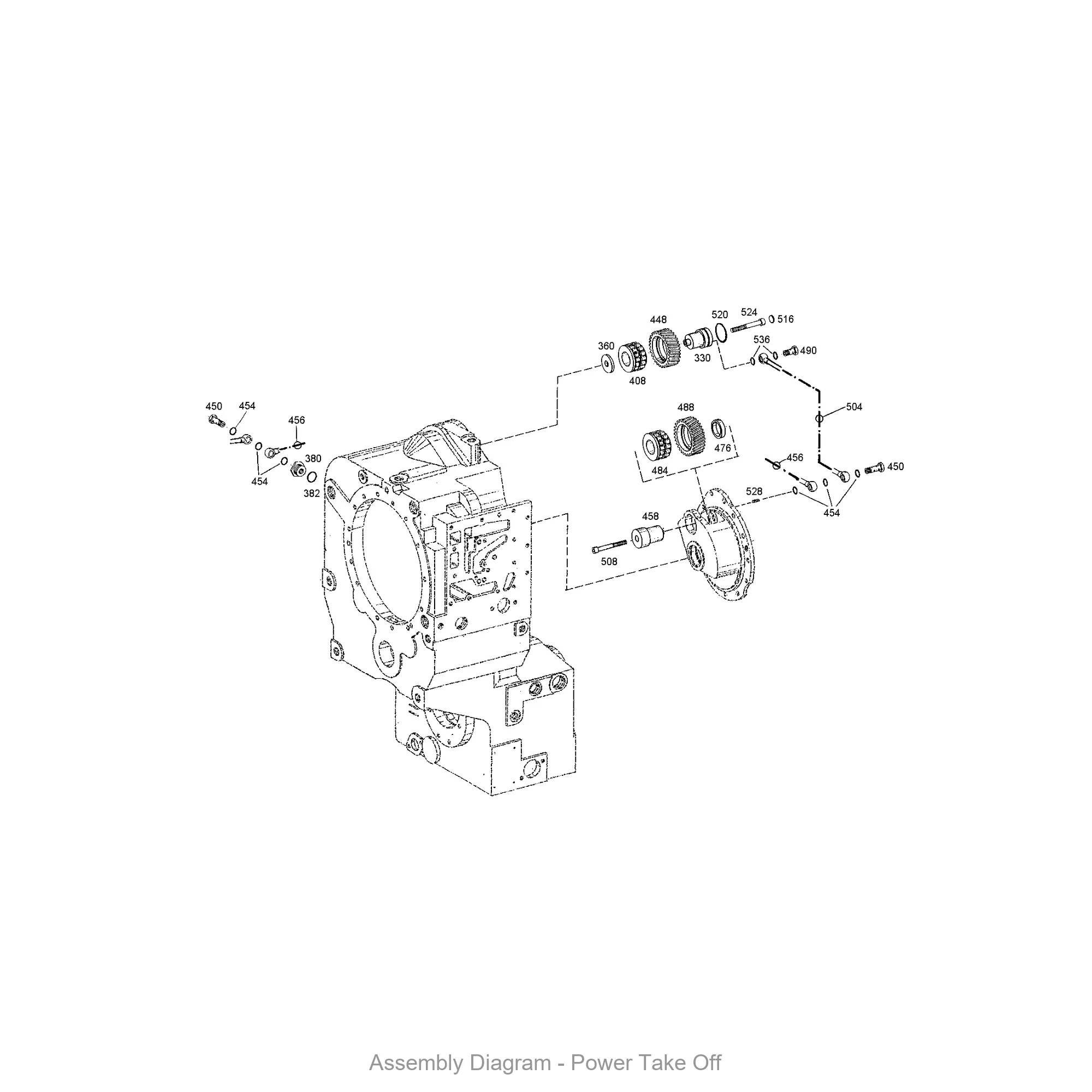
Part Location in Assembly
| Section | Position No. | Qty |
|---|---|---|
| Power Take Off | 504 | 1 |
Related Parts in Same Assembly
- 0501.317.159 — INDUCTIVE SENSOR (Qty: 1)
- 0750.131.053 — REPLACEMENT FILTER (Qty: 1)
- 4642.231.127 — OIL LEVEL TUBE (Qty: 1)
- 4644.221.200 — SUCTION TUBE (Qty: 1)
- 4644.301.346 — TRANSMISSION HOUSING (Qty: 1)
- 4644.302.245 — INPUT SHAFT (Qty: 1)
- 4644.303.566 — OUTPUT SHAFT (Qty: 1)
- 4644.305.023 — HOUSING (Qty: 2)
Frequently Asked Questions
What is ZF part number 0750.147.201?
ZF 0750.147.201 is an OEM hose pipe produced by ZF Friedrichshafen AG, one of the world’s largest automotive suppliers. It is designed for use in ZF powershift transmissions, specifically in models such as 3 WG 200. This is a genuine ZF component, not an aftermarket reproduction.
Which ZF transmissions use 0750.147.201?
This hose pipe is found in 1 ZF transmission variants, including: 3 WG 200. These transmissions are commonly used in wheel loaders, graders, and other heavy construction equipment. Contact us to verify fitment for your specific machine.
Where is ZF 0750.147.201 installed in the transmission?
This hose pipe is located in the power take off area of the transmission. It appears in 2 different assembly configurations. In the service manual, look for position number 504 in the Power Take Off section.
How do I look up ZF part 0750.147.201?
This part can be found under several formats: 0750147201 / 0750.147.201 / 0750 147 201. All formats refer to the same genuine ZF component. When ordering, any of these numbers will work. The official ZF catalog uses the dotted format (0750.147.201).
Where can I buy ZF 0750.147.201?
You can purchase genuine ZF 0750.147.201 from PartsZF.com (operated by Tianjin Xiaohang Construction Machinery Co., Ltd). We maintain direct supply channels with ZF and offer worldwide shipping. Contact our parts specialists for current pricing and lead times.
Need this part? Contact our ZF parts specialist for pricing and availability. We ship worldwide with OEM quality guarantee.
Exploded View / Assembly Diagram
The diagram below shows where ZF 0750.147.201 is located within the transmission assembly.





