ZF 1249.306.121 SLIDING PAD
ZF Part Number: 1249.306.121 (also written as 1249306121 / 1249.306.121 / 1249 306 121)
Compatible ZF Transmission Models
This sliding pad is used in the following ZF transmission models:
- ZF 6 WG 200
- ZF 6 WG 250
- ZF 6 WG 260
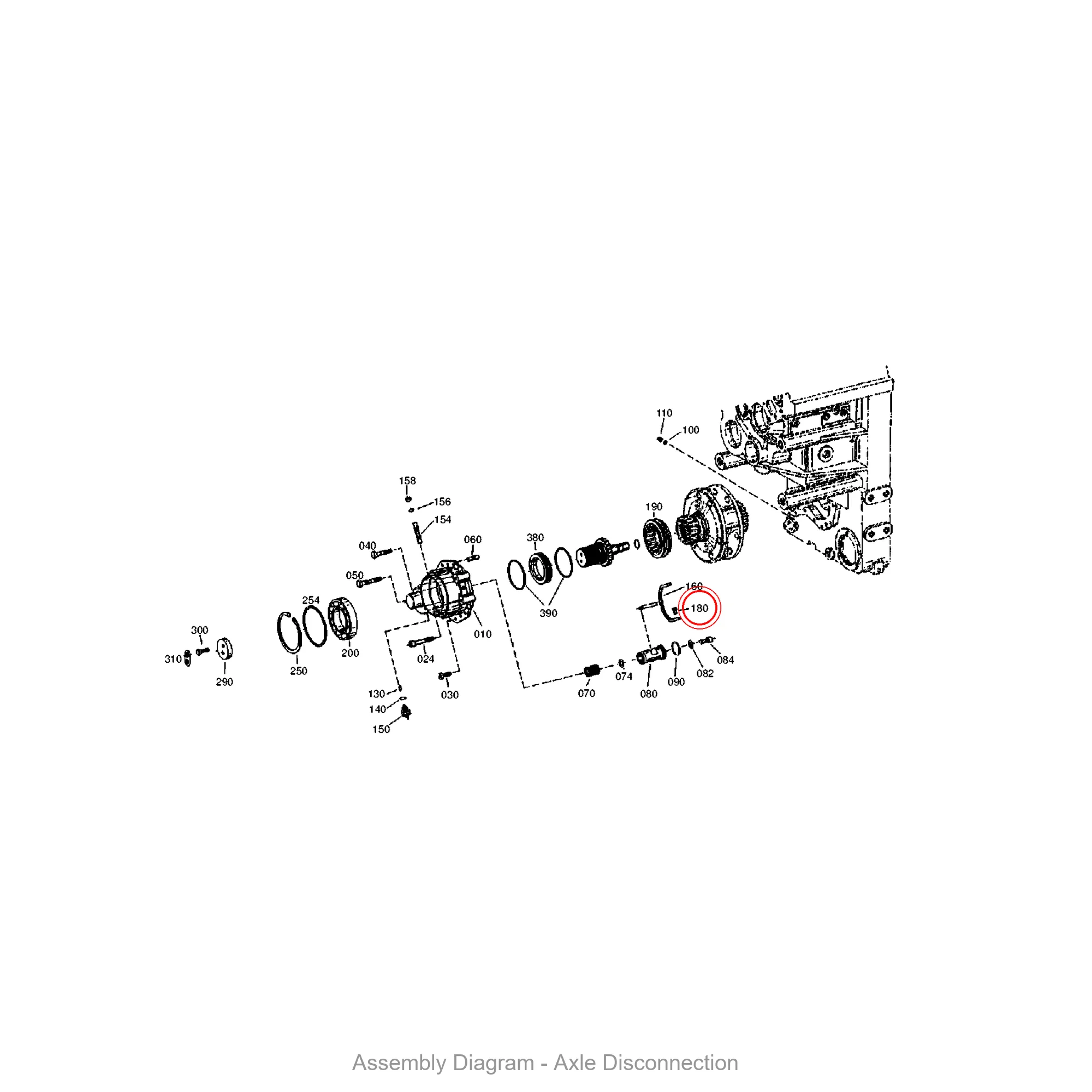
Part Location in Assembly
| Section | Position No. | Qty |
|---|---|---|
| Axle Disconnection | 180 | 2 |
| Axle Disconnection | 442 | 2 |
| Axle Disconnection | 522 | 2 |
| Axle Drive | 700/625 | 2 |
| Axle Housing | 500 | 2 |
| Crawler | 780 | 2 |
| Differential | 442 | 2 |
| Differential | 780 | 2 |
| Output | 780 | 2 |
| P.T.O. Shaft | 592 | 2 |
Related Parts in Same Assembly
- 0637.101.206 — BULKHEAD UNION (Qty: 1)
- 2052.209.109 — DIFFERENTIAL HOUSING (Qty: 1)
- 2094.303.065 — COUNTERSHAFT (Qty: 1)
- 2094.304.080 — MAIN SHAFT (Qty: 1)
- 2094.306.026 — GEARSHIFT SHAFT (Qty: 1)
- 2094.340.007 — LIFTING SHAFT (Qty: 1)
- 2094.352.046 — VALVE HOUSING (Qty: 1)
- 2094.371.012 — CLUTCH SHAFT (Qty: 1)
Frequently Asked Questions
What is ZF part number 1249.306.121?
ZF 1249.306.121 is an OEM sliding pad produced by ZF Friedrichshafen AG, one of the world’s largest automotive suppliers. It is designed for use in ZF powershift transmissions, specifically in models such as 6 WG 200, 6 WG 250, 6 WG 260. This is a genuine ZF component, not an aftermarket reproduction.
Which ZF transmissions use 1249.306.121?
This sliding pad is found in 3 ZF transmission variants, including: 6 WG 200, 6 WG 250, 6 WG 260. These transmissions are commonly used in wheel loaders, graders, and other heavy construction equipment. Contact us to verify fitment for your specific machine.
Where is ZF 1249.306.121 installed in the transmission?
This sliding pad is located in the axle disconnection, axle drive, axle housing area of the transmission. It appears in 30 different assembly configurations. In the service manual, look for position number 180 in the Axle Disconnection section.
How do I look up ZF part 1249.306.121?
This part can be found under several formats: 1249306121 / 1249.306.121 / 1249 306 121. All formats refer to the same genuine ZF component. When ordering, any of these numbers will work. The official ZF catalog uses the dotted format (1249.306.121).
Where can I buy ZF 1249.306.121?
You can purchase genuine ZF 1249.306.121 from PartsZF.com (operated by Tianjin Xiaohang Construction Machinery Co., Ltd). We maintain direct supply channels with ZF and offer worldwide shipping. Contact our parts specialists for current pricing and lead times.
Need this part? Contact our ZF parts specialist for pricing and availability. We ship worldwide with OEM quality guarantee.
Exploded View / Assembly Diagram
The diagram below shows where ZF 1249.306.121 is located within the transmission assembly.




