ZF 2094.347.012 MANIFOLD
ZF Part Number: 2094.347.012 (also written as 2094347012 / 2094.347.012 / 2094 347 012)
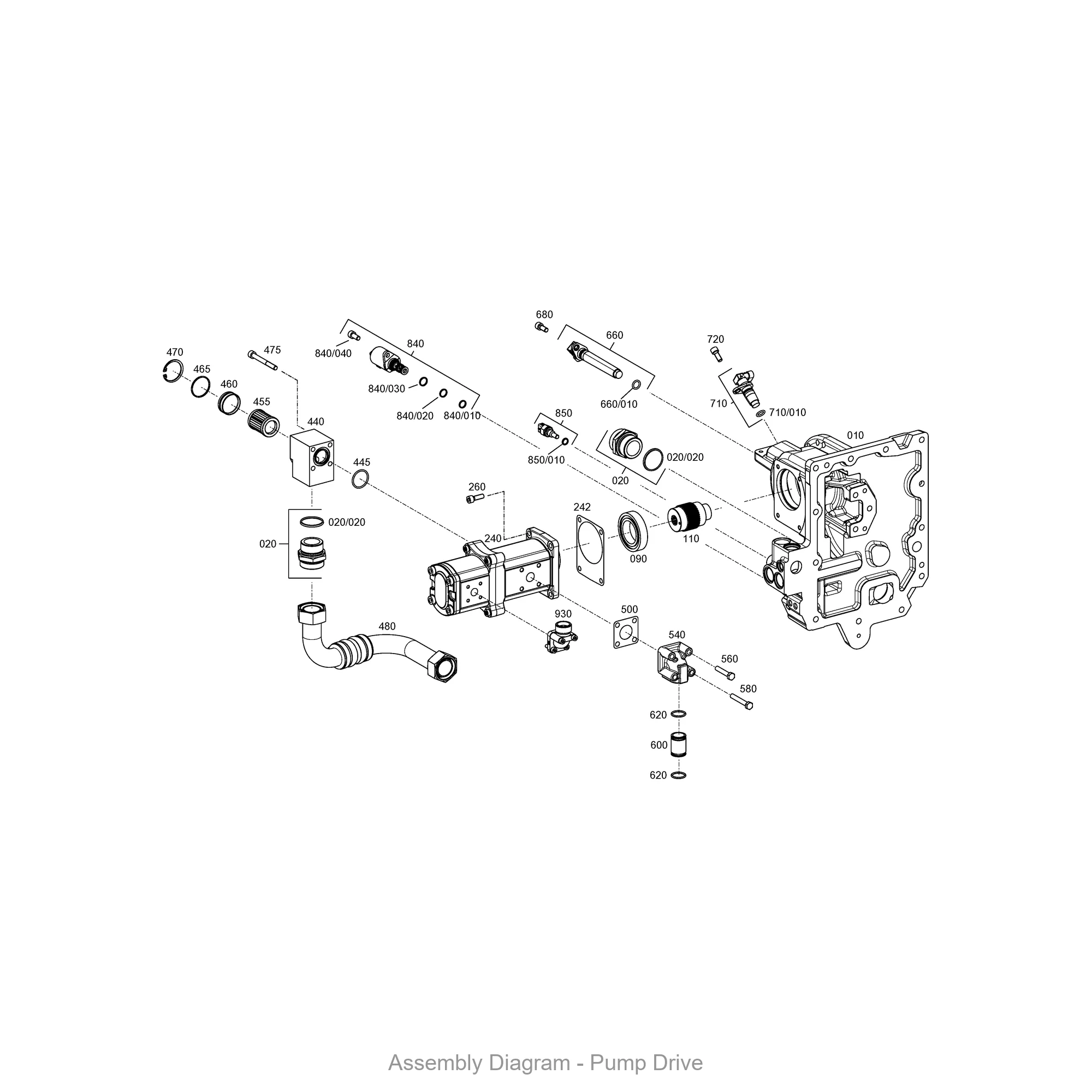
Part Location in Assembly
| Section | Position No. | Qty |
|---|---|---|
| Pump Drive | 370 | 1 |
| Pump Drive | 540 | 1 |
Application / Compatibility
| Assembly | Section | Model |
|---|---|---|
| 2093.005.092 | PUMP DRIVE | — |
| 2093.005.094 | PUMP DRIVE | — |
| 2093.005.130 | PUMP DRIVE | — |
| 2093.005.131 | PUMP DRIVE | — |
| 2093.005.132 | PUMP DRIVE | — |
| 2093.005.133 | PUMP DRIVE | — |
| 2093.005.134 | PUMP DRIVE | — |
| 2093.005.135 | PUMP DRIVE | — |
| 2093.005.136 | PUMP DRIVE | — |
| 2093.005.138 | PUMP DRIVE | — |
Related Parts in Same Assembly
- 5838.300.288 — CLUTCH BELL HOUSING (Qty: 1)
- 0501.222.007 — VALVE BLOCK (Qty: 1)
- 0501.325.280 — SOLENOID VALVE (Qty: 1)
- 0501.327.379 — O-RING (Qty: 1)
- 0501.327.378 — O-RING (Qty: 1)
- 0501.327.380 — O-RING (Qty: 1)
- 0501.327.381 — SCREW (Qty: 1)
- 0750.117.075 — TAPER ROLLER BEARING (Qty: 2)
Frequently Asked Questions
What is ZF part number 2094.347.012?
ZF 2094.347.012 is an OEM manifold produced by ZF Friedrichshafen AG, one of the world’s largest automotive suppliers. It is designed for use in ZF powershift transmissions, specifically in models such as various ZF transmission models. This is a genuine ZF component, not an aftermarket reproduction.
Where is ZF 2094.347.012 installed in the transmission?
This manifold is located in the pump drive area of the transmission. It appears in 30 different assembly configurations. In the service manual, look for position number 370 in the Pump Drive section.
How do I look up ZF part 2094.347.012?
This part can be found under several formats: 2094347012 / 2094.347.012 / 2094 347 012. All formats refer to the same genuine ZF component. When ordering, any of these numbers will work. The official ZF catalog uses the dotted format (2094.347.012).
Where can I buy ZF 2094.347.012?
You can purchase genuine ZF 2094.347.012 from PartsZF.com (operated by Tianjin Xiaohang Construction Machinery Co., Ltd). We maintain direct supply channels with ZF and offer worldwide shipping. Contact our parts specialists for current pricing and lead times.
Need this part? Contact our ZF parts specialist for pricing and availability. We ship worldwide with OEM quality guarantee.
Exploded View / Assembly Diagram
The diagram below shows where ZF 2094.347.012 is located within the transmission assembly.




