Overview
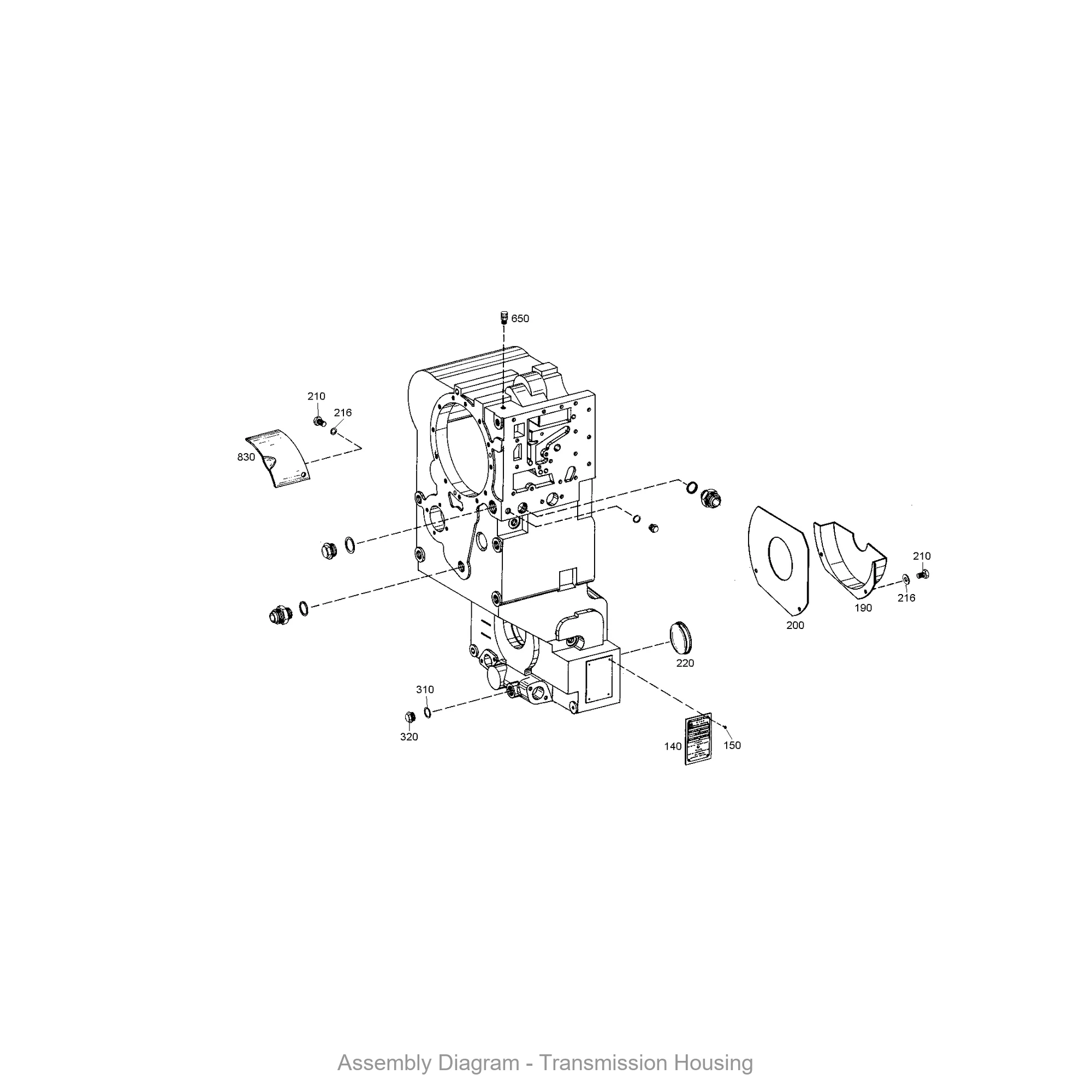
The ZF 4642.301.213 TRANSMISSION HOUSING is the primary structural casing for the WG150 series transmission. This OEM genuine part encloses the gear train, valve body, and torque converter assembly, providing precise alignment for all rotating components. As the central load-bearing shell, it also serves as the oil reservoir and coolant jacket for the transmission system. The SKU 4642.301.213 is machined to exact ZF tolerances to ensure proper sealing and gear mesh integrity. When replacing this housing, it is common to also inspect the 4642101114 TRANSMISSION HOUSING for compatibility with older WG150 variants.
Symptoms of Failure
- External oil seepage from housing seams: Cracks or porosity in the casting cause fluid to weep around the bell housing or PTO openings, leading to low fluid levels and overheating.
- Persistent gear engagement noise: A warped housing allows the main shaft to misalign, producing a rhythmic grinding or whining sound during acceleration in forward gears.
- Intermittent shift hesitation: Internal stress fractures near the valve body mounting face disrupt hydraulic pressure, causing delayed or harsh shifts between 2nd and 3rd gear.
- Visible corrosion around mounting bosses: Galvanic corrosion between the aluminum housing and steel fasteners creates pitting that compromises bolt torque retention.
Technical Specifications
| Parameter | Value |
|---|---|
| Part Number | 4642.301.213 |
| Material | Aluminum Alloy (A356-T6) |
| Weight | 18.7 kg (41.2 lbs) |
| Overall Length | 620 mm |
| Overall Width | 380 mm |
| Overall Height | 310 mm |
| Bolt Hole Pattern | 12-point, M12 x 1.5 |
| OEM Reference | ZF 4642.301.213 |
Compatibility
This housing is engineered for the ZF WG150 series, but it also fits select variants of the WG180 and WG200 transmissions produced after 2005. The casting shares the same bell housing bolt pattern and main shaft bore dimensions as the WG150. For precise fitment verification, always cross-reference the 0730365125 TYPE PLATE on your existing unit. During installation, the 0631311009 GROOVED STUD must be torqued to 85 Nm to prevent housing distortion. Additionally, the 4642301168 SCREEN SHEET should be replaced simultaneously to avoid debris contamination.
Related Components
| Part Number | Name | Function |
|---|---|---|
| 4642101114 | Transmission Housing | Alternate housing for early WG150 models |
| 0730365125 | Type Plate | Identification tag with serial number |
| 0631311009 | Grooved Stud | Locating dowel for housing alignment |
| 4642301168 | Screen Sheet | Oil filter screen for sump |
| 4642301169 | Screen Sheet | Fine mesh screen for valve body |
| 0636100621 | Hexagon Screw | M10 bolt for cover plate retention |
| 4642301186 | Screen Sheet | Secondary oil strainer |
| 4644106300 | Shift System | Pneumatic shift actuator assembly |
| 4644306500 | Cover Plate | Access cover for clutch pack |
| 4644159301 | Shift System | Hydraulic shift valve module |
Authorized ZF Distributor
We are a certified supplier of genuine ZF components.





