ZF 4642.330.210 COVER
ZF Part Number: 4642.330.210 (also written as 4642330210 / 4642.330.210 / 4642 330 210)
Compatible ZF Transmission Models
This cover is used in the following ZF transmission models:
- ZF 3 WG 100(500)
- ZF 4 WG 100(500)
- ZF 4 WG 110
- ZF 4 WG 110(500)
- ZF 4 WG 150
- ZF 6 WG 110
- ZF 6 WG 110(500)
- ZF 6 WG 150
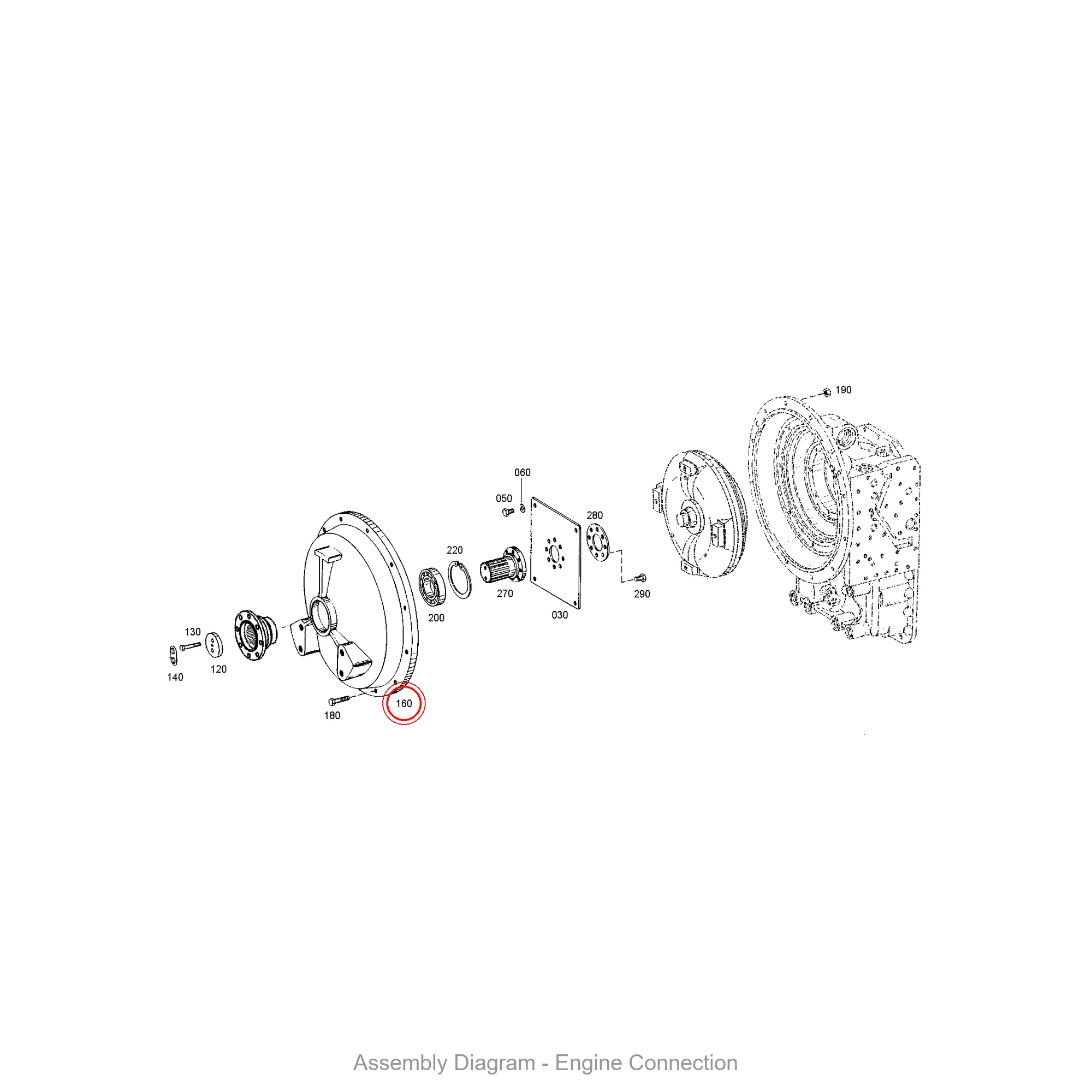
Part Location in Assembly
| Section | Position No. | Qty |
|---|---|---|
| Engine Connection | 158 | 1 |
| Engine Connection | 160 | 1 |
Related Parts in Same Assembly
- 0501.003.819 — BRAKE (Qty: 1)
- 4168.030.081 — CONVERTER (Qty: 1)
- 4642.221.149 — SUCTION TUBE (Qty: 1)
- 4642.301.208 — TRANSMISSION HOUSING (Qty: 1)
- 4642.302.161 — INPUT SHAFT (Qty: 1)
- 4642.303.002 — OUTPUT SHAFT (Qty: 1)
- 4642.306.276 — VALVE BLOCK (Qty: 1)
- 4642.306.324 — GASKET (Qty: 1)
Frequently Asked Questions
What is ZF part number 4642.330.210?
ZF 4642.330.210 is an OEM cover produced by ZF Friedrichshafen AG, one of the world’s largest automotive suppliers. It is designed for use in ZF powershift transmissions, specifically in models such as 3 WG 100(500), 4 WG 100(500), 4 WG 110, 4 WG 110(500), 4 WG 150. This is a genuine ZF component, not an aftermarket reproduction.
Which ZF transmissions use 4642.330.210?
This cover is found in 8 ZF transmission variants, including: 3 WG 100(500), 4 WG 100(500), 4 WG 110, 4 WG 110(500), 4 WG 150, 6 WG 110, 6 WG 110(500), 6 WG 150. These transmissions are commonly used in wheel loaders, graders, and other heavy construction equipment. Contact us to verify fitment for your specific machine.
Where is ZF 4642.330.210 installed in the transmission?
This cover is located in the engine connection area of the transmission. It appears in 22 different assembly configurations. In the service manual, look for position number 158 in the Engine Connection section.
How do I look up ZF part 4642.330.210?
This part can be found under several formats: 4642330210 / 4642.330.210 / 4642 330 210. All formats refer to the same genuine ZF component. When ordering, any of these numbers will work. The official ZF catalog uses the dotted format (4642.330.210).
Where can I buy ZF 4642.330.210?
You can purchase genuine ZF 4642.330.210 from PartsZF.com (operated by Tianjin Xiaohang Construction Machinery Co., Ltd). We maintain direct supply channels with ZF and offer worldwide shipping. Contact our parts specialists for current pricing and lead times.
Need this part? Contact our ZF parts specialist for pricing and availability. We ship worldwide with OEM quality guarantee.
Exploded View / Assembly Diagram
The diagram below shows where ZF 4642.330.210 is located within the transmission assembly.






