ZF 4644.301.116 SCREEN SHEET
ZF Part Number: 4644.301.116 (also written as 4644301116 / 4644.301.116 / 4644 301 116)
Compatible ZF Transmission Models
This screen sheet is used in the following ZF transmission models:
- ZF 4 WG 200
- ZF 4 WG 200(555)
- ZF 4 WG 200(555/5)
- ZF 6 WG 180(555)
- ZF 6 WG 200(555)
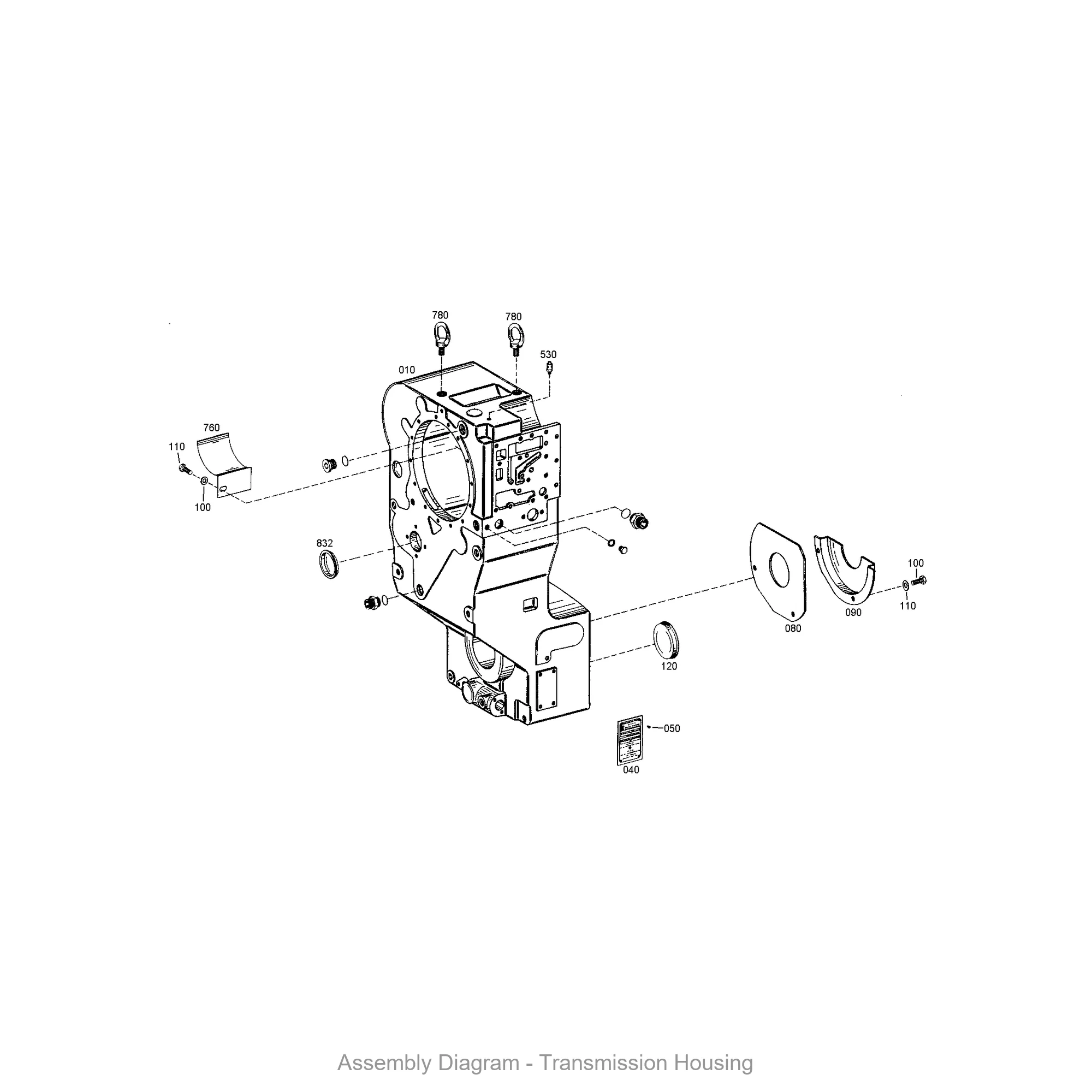
Part Location in Assembly
| Section | Position No. | Qty |
|---|---|---|
| Transmission Housing | 01.760 | 1 |
| Transmission Housing | 760 | 1 |
Related Parts in Same Assembly
- 0750.131.053 — REPLACEMENT FILTER (Qty: 1)
- 4044.319.023 — DRIVER (Qty: 1)
- 4166.232.026 — CIRCUIT COVER (Qty: 1)
- 4642.306.050 — COVER PLATE (Qty: 1)
- 4642.306.153 — VALVE HOUSING (Qty: 1)
- 4642.307.005 — SPEEDO CONN.PCE (Qty: 1)
- 4644.221.002 — SUCTION TUBE (Qty: 1)
- 4644.301.194 — TRANSMISSION HOUSING (Qty: 1)
Frequently Asked Questions
What is ZF part number 4644.301.116?
ZF 4644.301.116 is an OEM screen sheet produced by ZF Friedrichshafen AG, one of the world’s largest automotive suppliers. It is designed for use in ZF powershift transmissions, specifically in models such as 4 WG 200, 4 WG 200(555), 4 WG 200(555/5), 6 WG 180(555), 6 WG 200(555). This is a genuine ZF component, not an aftermarket reproduction.
Which ZF transmissions use 4644.301.116?
This screen sheet is found in 5 ZF transmission variants, including: 4 WG 200, 4 WG 200(555), 4 WG 200(555/5), 6 WG 180(555), 6 WG 200(555). These transmissions are commonly used in wheel loaders, graders, and other heavy construction equipment. Contact us to verify fitment for your specific machine.
Where is ZF 4644.301.116 installed in the transmission?
This screen sheet is located in the transmission housing area of the transmission. It appears in 13 different assembly configurations. In the service manual, look for position number 01.760 in the Transmission Housing section.
How do I look up ZF part 4644.301.116?
This part can be found under several formats: 4644301116 / 4644.301.116 / 4644 301 116. All formats refer to the same genuine ZF component. When ordering, any of these numbers will work. The official ZF catalog uses the dotted format (4644.301.116).
Where can I buy ZF 4644.301.116?
You can purchase genuine ZF 4644.301.116 from PartsZF.com (operated by Tianjin Xiaohang Construction Machinery Co., Ltd). We maintain direct supply channels with ZF and offer worldwide shipping. Contact our parts specialists for current pricing and lead times.
Need this part? Contact our ZF parts specialist for pricing and availability. We ship worldwide with OEM quality guarantee.
Exploded View / Assembly Diagram
The diagram below shows where ZF 4644.301.116 is located within the transmission assembly.





