Overview
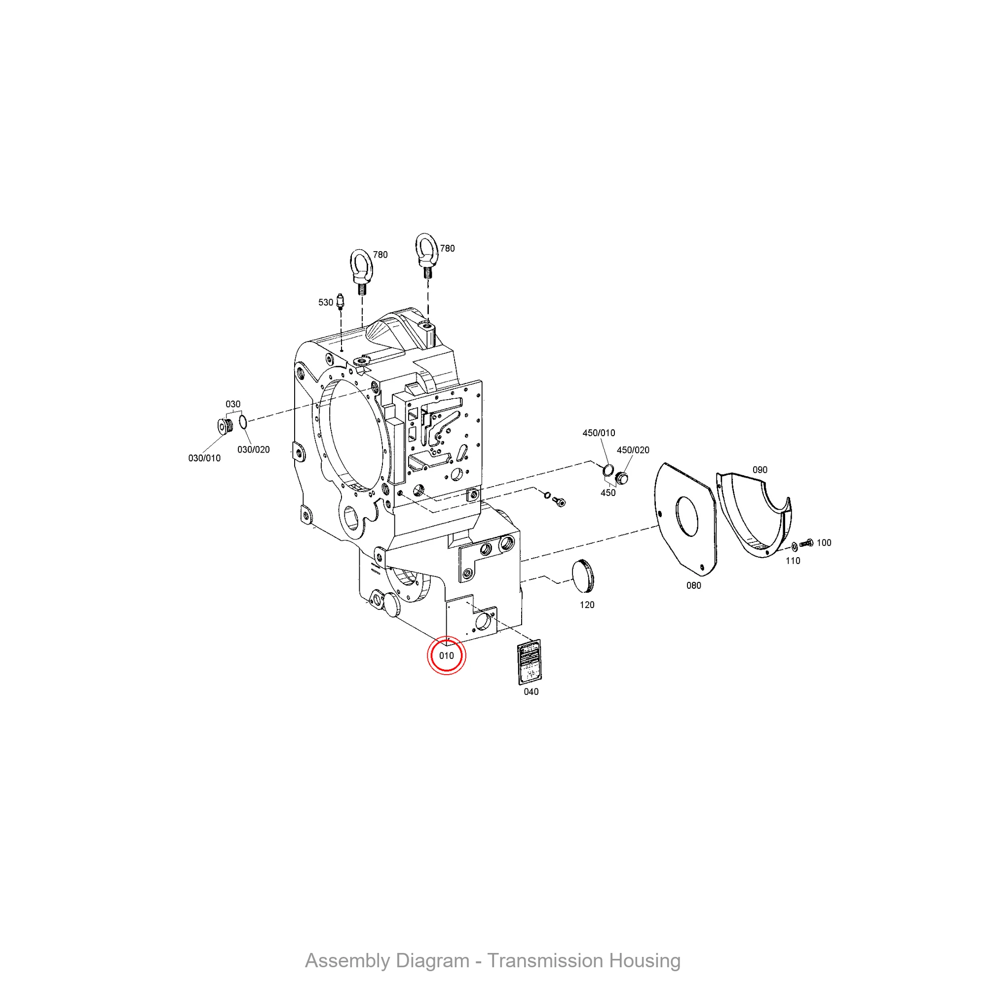
The ZF 4644.301.346 TRANSMISSION HOUSING is the primary structural casing for the WG200 series, designed to enclose and protect the gear train, clutch packs, and hydraulic circuits. As an OEM genuine part, it serves as the rigid backbone of the transmission assembly, ensuring precise alignment of rotating components and containing transmission fluid under high pressure. The SKU 4644.301.346 is a direct replacement for the original housing, machined to exact ZF tolerances to prevent misalignment and maintain hydraulic integrity. This housing interfaces directly with the 4644105424 DISCONNECTION unit and the 4644303538 OUTPUT FLANGE, forming the core of the driveline.
Symptoms of Failure
- Transmission fluid seepage at housing seams: Cracks or porosity in the 4644.301.346 housing often cause slow oil leaks around the bell housing or mating surfaces, leading to low fluid levels and eventual gear slipping.
- Abnormal gear engagement noise: A worn or warped housing allows the internal shafts to shift out of alignment, producing a distinct grinding or whining sound during shifts, especially under load.
- Persistent hydraulic pressure loss: Internal fractures in the housing can disrupt oil galleries, resulting in delayed clutch engagement or erratic shift patterns that worsen as the transmission warms up.
- Visible corrosion or pitting on mounting flanges: Exposure to road salt or moisture can degrade the housing’s sealing surfaces, causing intermittent leaks that are difficult to trace without removal.
Technical Specifications
| Parameter | Value |
|---|---|
| Part Number | 4644.301.346 |
| Material | High-strength aluminum alloy (A356-T6) |
| Weight | 18.5 kg (40.8 lbs) |
| Overall Dimensions | 520 mm x 380 mm x 310 mm |
| Bolt Hole Pattern | 6x M12 on 140 mm PCD |
| OEM Reference | ZF 4644.301.346 |
| Sealing Surface Finish | Ra 0.8 µm |
Compatibility
This transmission housing is engineered specifically for the ZF WG200 series and is also compatible with the WG180 and WG210 variants, provided the corresponding 0636021036 HEXAGON SCREW kit is used for mounting. It directly replaces the earlier 4644101224 TRANSMISSION HOUSING in retrofit applications. Always verify the casting number on your existing unit before ordering, as minor revisions exist for different bell housing patterns.
Related Components
| Part Number | Name | Function |
|---|---|---|
| 4644105424 | DISCONNECTION | Isolates transmission from engine during clutch operation |
| 4644303538 | OUTPUT FLANGE | Transfers torque from housing to driveshaft |
| 0636021036 | HEXAGON SCREW | Secures housing to bell housing with precise torque |
| 4644101224 | TRANSMISSION HOUSING | Earlier variant housing for WG180 series |
| 0730365067 | TYPE PLATE | Identification plate riveted to housing exterior |
| 4644106300 | SHIFT SYSTEM | Controls gear selection within the housing |
| 4644306500 | COVER PLATE | Seals the housing’s side access port |
| 4644159311 | SHIFT SYSTEM | Alternative shift mechanism for WG200 variants |
| 4644306563 | VALVE BLOCK | Hydraulic control unit mounted inside housing |
| 4644306408 | WASHER | Sealing washer for housing drain plug |
Authorized ZF Distributor
We are a certified supplier of genuine ZF components.





