ZF 4646.102.028 INPUT
ZF Part Number: 4646.102.028 (also written as 4646102028 / 4646.102.028 / 4646 102 028)
Compatible ZF Transmission Models
This input is used in the following ZF transmission models:
- ZF 3 WG 260
- ZF 3 WG 310
- ZF 4 WG 260(2)
- ZF 4 WG 310
Related Parts in Same Assembly
- 0501.008.365 — DISC BRAKE (Qty: 1)
- 0501.209.719 — INDUCTIVE SENSOR (Qty: 1)
- 0501.213.027 — GEAR PUMP (Qty: 1)
- 0501.214.082 — SUCTION FILTER (Qty: 1)
- 0501.216.209 — RANGE SELECTOR (Qty: 1)
- 0637.100.508 — UNION SCREW (Qty: 3)
- 4168.037.052 — CONVERTER (Qty: 1)
- 4642.301.106 — SEALING CAP (Qty: 1)
Frequently Asked Questions
What is ZF part number 4646.102.028?
ZF 4646.102.028 is an OEM input produced by ZF Friedrichshafen AG, one of the world’s largest automotive suppliers. It is designed for use in ZF powershift transmissions, specifically in models such as 3 WG 260, 3 WG 310, 4 WG 260(2), 4 WG 310. This is a genuine ZF component, not an aftermarket reproduction.
Which ZF transmissions use 4646.102.028?
This input is found in 4 ZF transmission variants, including: 3 WG 260, 3 WG 310, 4 WG 260(2), 4 WG 310. These transmissions are commonly used in wheel loaders, graders, and other heavy construction equipment. Contact us to verify fitment for your specific machine.
Where is ZF 4646.102.028 installed in the transmission?
This input is located in the input area of the transmission. It appears in 7 different assembly configurations.
How do I look up ZF part 4646.102.028?
This part can be found under several formats: 4646102028 / 4646.102.028 / 4646 102 028. All formats refer to the same genuine ZF component. When ordering, any of these numbers will work. The official ZF catalog uses the dotted format (4646.102.028).
Where can I buy ZF 4646.102.028?
You can purchase genuine ZF 4646.102.028 from PartsZF.com (operated by Tianjin Xiaohang Construction Machinery Co., Ltd). We maintain direct supply channels with ZF and offer worldwide shipping. Contact our parts specialists for current pricing and lead times.
Need this part? Contact our ZF parts specialist for pricing and availability. We ship worldwide with OEM quality guarantee.
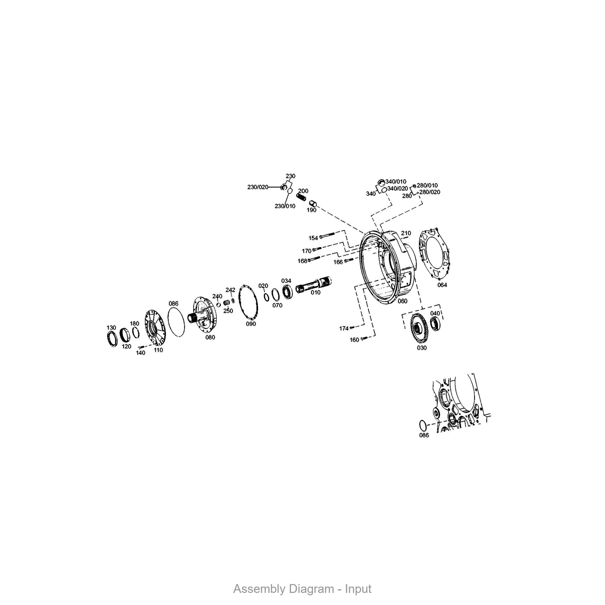
Exploded View / Assembly Diagram
The diagram below shows where ZF 4646.102.028 is located within the transmission assembly.




