ZF 4646.105.017 AXLE DISCONNECTION
ZF Part Number: 4646.105.017 (also written as 4646105017 / 4646.105.017 / 4646 105 017)
Compatible ZF Transmission Models
This axle disconnection is used in the following ZF transmission models:
- ZF 3 WG 310
Related Parts in Same Assembly
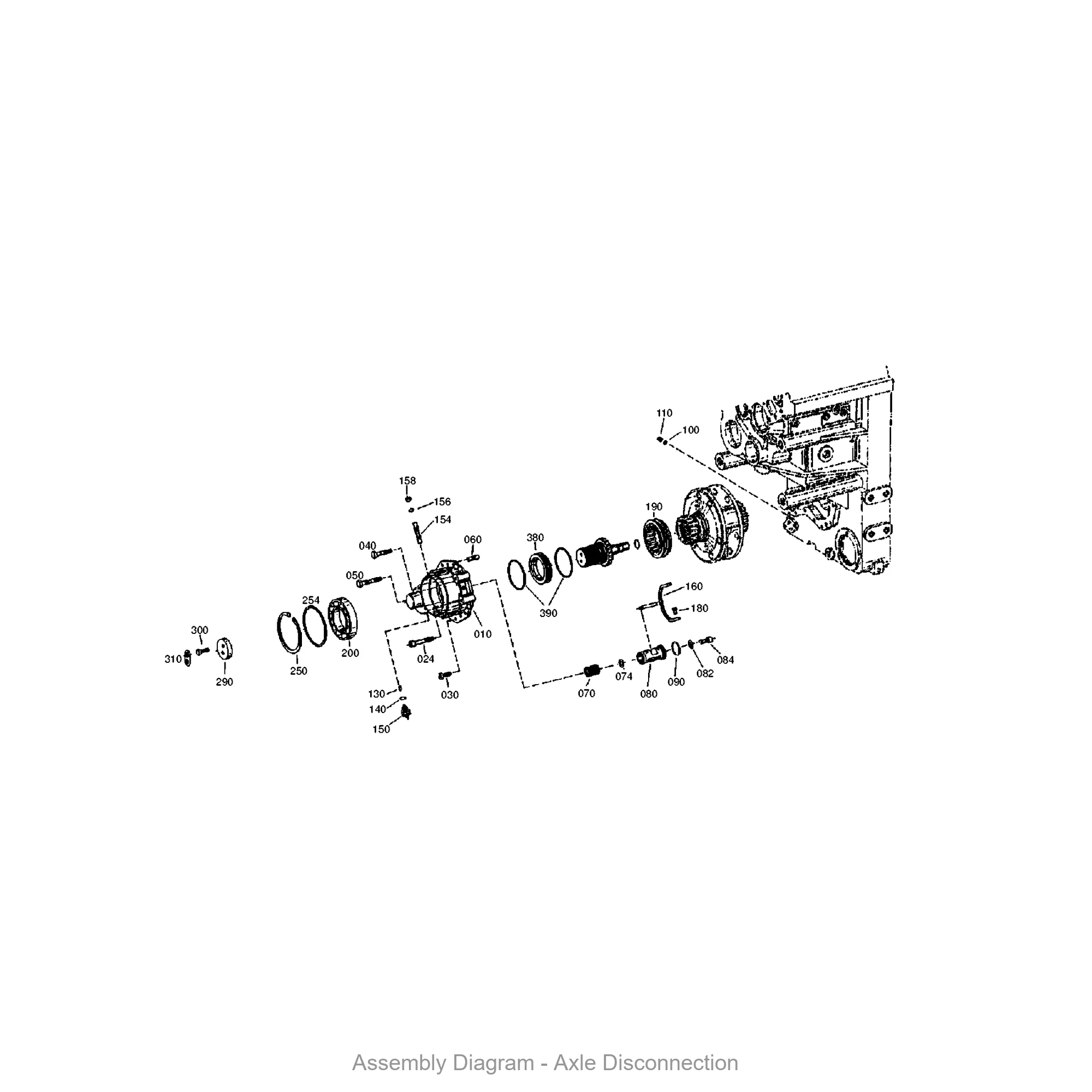
- 4646.301.316 — HOUSING (Qty: 1)
- 4646.301.283 — COVER (Qty: 1)
- 0630.361.049 — SEALING CAP (Qty: 1)
- 0636.015.304 — HEXAGON SCREW (Qty: 11)
- 0636.101.828 — CAP SCREW (Qty: 2)
- 0631.306.621 — CYLINDRICAL PIN (Qty: 2)
- 4646.201.022 — COVER SHEET (Qty: 1)
- 4646.301.295 — SCREEN SHEET (Qty: 1)
Frequently Asked Questions
What is ZF part number 4646.105.017?
ZF 4646.105.017 is an OEM axle disconnection produced by ZF Friedrichshafen AG, one of the world’s largest automotive suppliers. It is designed for use in ZF powershift transmissions, specifically in models such as 3 WG 310. This is a genuine ZF component, not an aftermarket reproduction.
Which ZF transmissions use 4646.105.017?
This axle disconnection is found in 1 ZF transmission variants, including: 3 WG 310. These transmissions are commonly used in wheel loaders, graders, and other heavy construction equipment. Contact us to verify fitment for your specific machine.
Where is ZF 4646.105.017 installed in the transmission?
This axle disconnection is located in the axle disconnection area of the transmission. It appears in 1 different assembly configurations.
How do I look up ZF part 4646.105.017?
This part can be found under several formats: 4646105017 / 4646.105.017 / 4646 105 017. All formats refer to the same genuine ZF component. When ordering, any of these numbers will work. The official ZF catalog uses the dotted format (4646.105.017).
Where can I buy ZF 4646.105.017?
You can purchase genuine ZF 4646.105.017 from PartsZF.com (operated by Tianjin Xiaohang Construction Machinery Co., Ltd). We maintain direct supply channels with ZF and offer worldwide shipping. Contact our parts specialists for current pricing and lead times.
Need this part? Contact our ZF parts specialist for pricing and availability. We ship worldwide with OEM quality guarantee.
Exploded View / Assembly Diagram
The diagram below shows where ZF 4646.105.017 is located within the transmission assembly.






