ZF 4646.323.012 OIL FEEDING RING
ZF Part Number: 4646.323.012 (also written as 4646323012 / 4646.323.012 / 4646 323 012)
Compatible ZF Transmission Models
This oil feeding ring is used in the following ZF transmission models:
- ZF 3 WG 310
- ZF 3 WG 310(4)
- ZF 6 WG 260
- ZF 6 WG 310
Part Location in Assembly
| Section | Position No. | Qty |
|---|---|---|
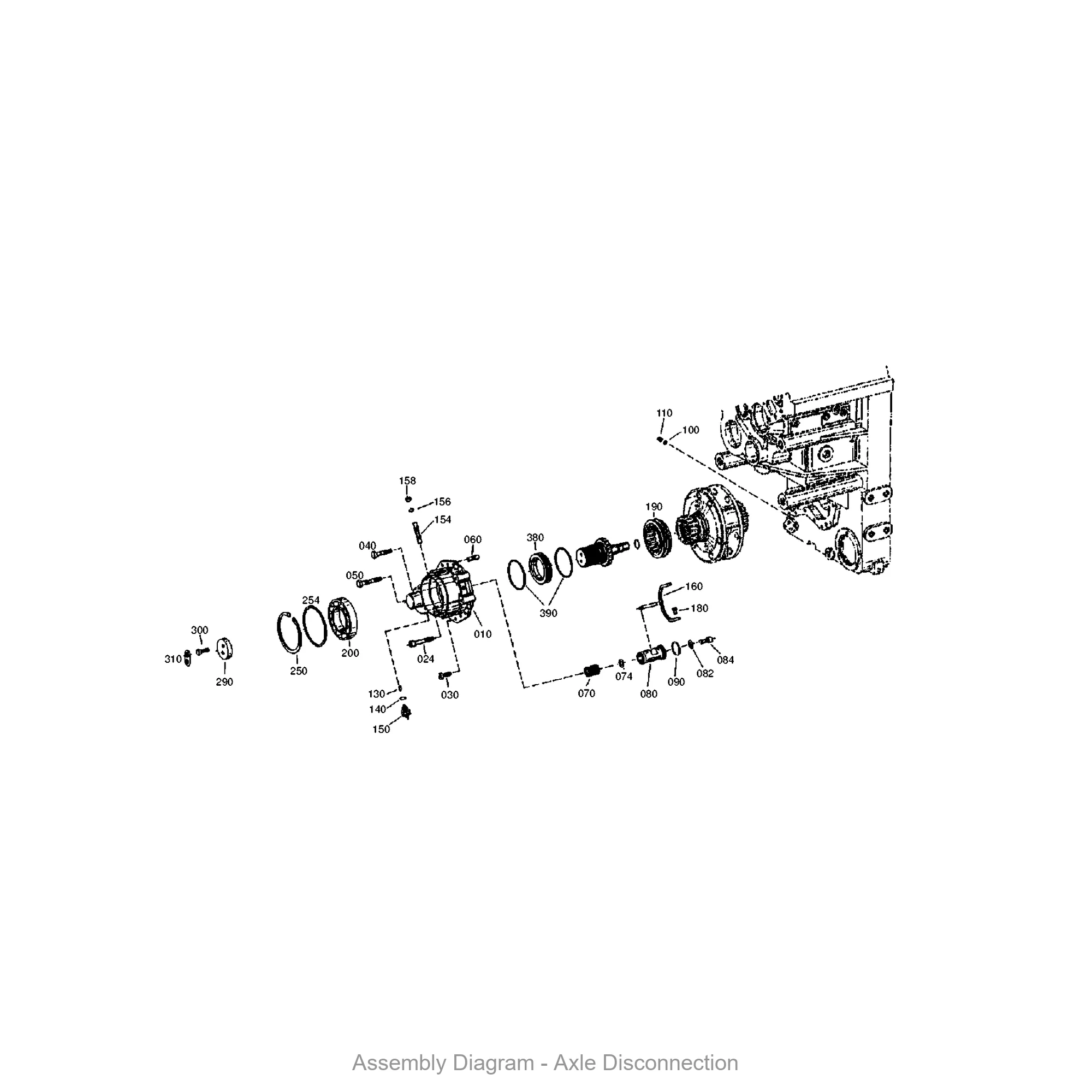
| Axle Disconnection | 380 | 1 |
| Crawler | 980 | 1 |
| Output | 980 | 1 |
Related Parts in Same Assembly
- 4646.354.062 — DRIVER (Qty: 1)
- 0634.313.784 — O-RING (Qty: 1)
- 4646.354.047 — PUMP FLANGE (Qty: 1)
- 0636.100.426 — HEXAGON SCREW (Qty: 8)
- 4475.280.077 — SCREW PLUG (Qty: 1)
- 0501.209.719 — INDUCTIVE SENSOR (Qty: 1)
- 0501.213.027 — GEAR PUMP (Qty: 1)
- 0501.214.082 — SUCTION FILTER (Qty: 1)
Frequently Asked Questions
What is ZF part number 4646.323.012?
ZF 4646.323.012 is an OEM oil feeding ring produced by ZF Friedrichshafen AG, one of the world’s largest automotive suppliers. It is designed for use in ZF powershift transmissions, specifically in models such as 3 WG 310, 3 WG 310(4), 6 WG 260, 6 WG 310. This is a genuine ZF component, not an aftermarket reproduction.
Which ZF transmissions use 4646.323.012?
This oil feeding ring is found in 4 ZF transmission variants, including: 3 WG 310, 3 WG 310(4), 6 WG 260, 6 WG 310. These transmissions are commonly used in wheel loaders, graders, and other heavy construction equipment. Contact us to verify fitment for your specific machine.
Where is ZF 4646.323.012 installed in the transmission?
This oil feeding ring is located in the axle disconnection, crawler, output area of the transmission. It appears in 9 different assembly configurations. In the service manual, look for position number 380 in the Axle Disconnection section.
How do I look up ZF part 4646.323.012?
This part can be found under several formats: 4646323012 / 4646.323.012 / 4646 323 012. All formats refer to the same genuine ZF component. When ordering, any of these numbers will work. The official ZF catalog uses the dotted format (4646.323.012).
Where can I buy ZF 4646.323.012?
You can purchase genuine ZF 4646.323.012 from PartsZF.com (operated by Tianjin Xiaohang Construction Machinery Co., Ltd). We maintain direct supply channels with ZF and offer worldwide shipping. Contact our parts specialists for current pricing and lead times.
Need this part? Contact our ZF parts specialist for pricing and availability. We ship worldwide with OEM quality guarantee.
Exploded View / Assembly Diagram
The diagram below shows where ZF 4646.323.012 is located within the transmission assembly.

Authorized ZF Distributor
We are a certified supplier of genuine ZF components.





