ZF 4656.223.002
ZF Part Number: 4656.223.002 (also written as 4656223002 / 4656.223.002 / 4656 223 002)
Compatible ZF Transmission Models
This is used in the following ZF transmission models:
- ZF 5 WG 160
- ZF 6 WG 160
- ZF 8 WG 160
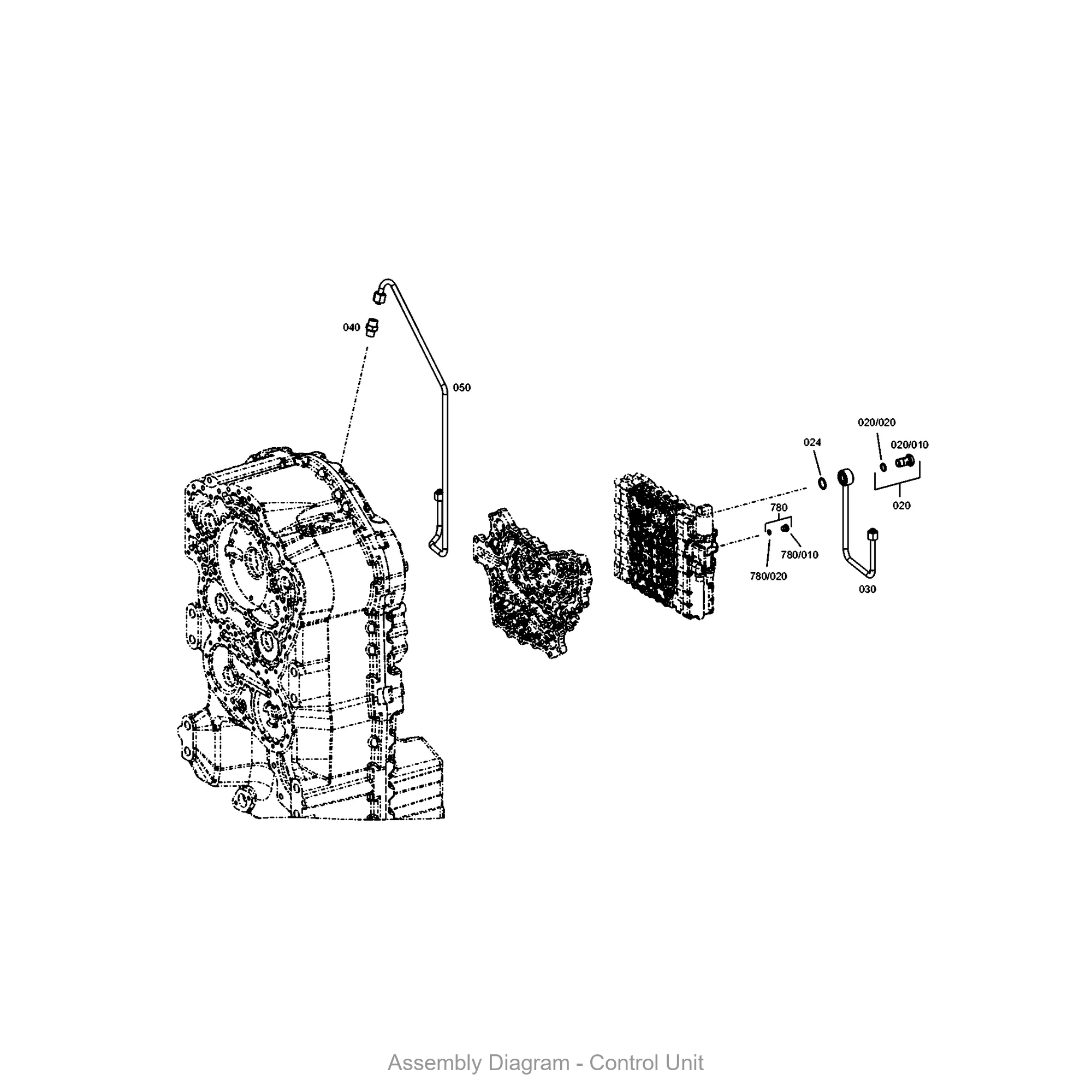
Part Location in Assembly
| Section | Position No. | Qty |
|---|---|---|
| Control Unit | 050 | 1 |
Related Parts in Same Assembly
- 0501.209.719 — INDUCTIVE SENSOR (Qty: 3)
- 0501.211.384 — VALVE (Qty: 1)
- 0501.214.894 — GEAR PUMP (Qty: 1)
- 0501.333.764 — PRESSURE FILTER (Qty: 1)
- 0730.365.279 — TYPE PLATE (Qty: 1)
- 4168.034.148 — CONVERTER (Qty: 1)
- 4656.201.075 — HOUS.FRONT SECT (Qty: 1)
- 4656.206.013 — VALVE BLOCK (Qty: 1)
Frequently Asked Questions
What is ZF part number 4656.223.002?
ZF 4656.223.002 is an OEM produced by ZF Friedrichshafen AG, one of the world’s largest automotive suppliers. It is designed for use in ZF powershift transmissions, specifically in models such as 5 WG 160, 6 WG 160, 8 WG 160. This is a genuine ZF component, not an aftermarket reproduction.
Which ZF transmissions use 4656.223.002?
This is found in 3 ZF transmission variants, including: 5 WG 160, 6 WG 160, 8 WG 160. These transmissions are commonly used in wheel loaders, graders, and other heavy construction equipment. Contact us to verify fitment for your specific machine.
Where is ZF 4656.223.002 installed in the transmission?
This is located in the control unit area of the transmission. It appears in 30 different assembly configurations. In the service manual, look for position number 050 in the Control Unit section.
How do I look up ZF part 4656.223.002?
This part can be found under several formats: 4656223002 / 4656.223.002 / 4656 223 002. All formats refer to the same genuine ZF component. When ordering, any of these numbers will work. The official ZF catalog uses the dotted format (4656.223.002).
Where can I buy ZF 4656.223.002?
You can purchase genuine ZF 4656.223.002 from PartsZF.com (operated by Tianjin Xiaohang Construction Machinery Co., Ltd). We maintain direct supply channels with ZF and offer worldwide shipping. Contact our parts specialists for current pricing and lead times.
Need this part? Contact our ZF parts specialist for pricing and availability. We ship worldwide with OEM quality guarantee.
Exploded View / Assembly Diagram
The diagram below shows where ZF 4656.223.002 is located within the transmission assembly.



