ZF 4656.301.017 SCREEN SHEET
ZF Part Number: 4656.301.017 (also written as 4656301017 / 4656.301.017 / 4656 301 017)
OEM Cross Reference / Interchange Numbers
ZF 4656.301.017 (SCREEN SHEET) is the original manufacturer part. The following OEM and third-party part numbers are direct cross-references:
| Brand / OEM | Part Number | Type |
|---|---|---|
| 柳工 | SP111973 | OEM Cross Ref |
If you are looking for 柳工 SP111973, the correct ZF original part number is 4656.301.017. This is a 100% genuine ZF replacement, guaranteed to be fully compatible with 柳工 equipment that uses ZF transmissions.
Compatible ZF Transmission Models
This screen sheet is used in the following ZF transmission models:
- ZF 4 WG 115
- ZF 6 WG 115
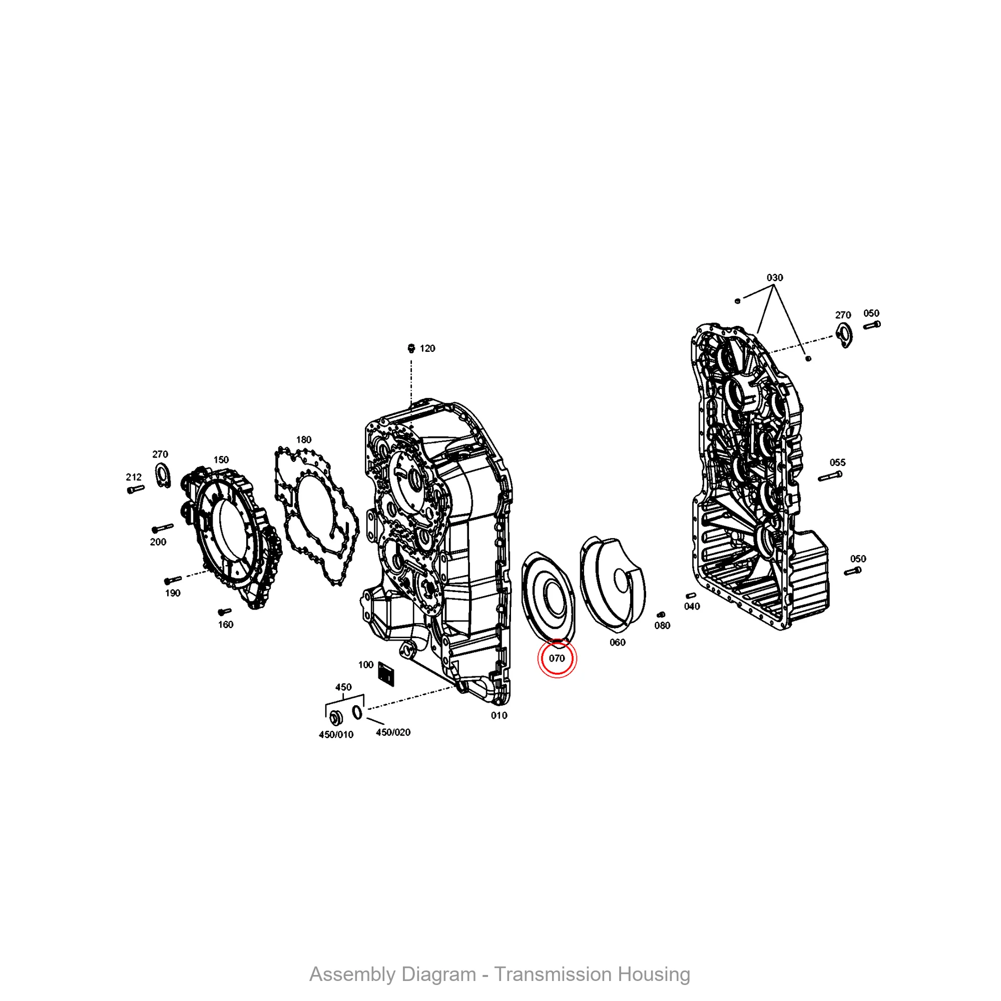
Part Location in Assembly
| Section | Position No. | Qty |
|---|---|---|
| Transmission Housing | 070 | 1 |
| Transmission Housing | 080 | 1 |
Related Parts in Same Assembly
- 0501.209.719 — INDUCTIVE SENSOR (Qty: 2)
- 0501.211.384 — VALVE (Qty: 1)
- 0501.214.894 — GEAR PUMP (Qty: 1)
- 0501.333.764 — PRESSURE FILTER (Qty: 1)
- 4168.030.267 — CONVERTER (Qty: 1)
- 4651.231.011 — OIL DIPSTICK (Qty: 1)
- 4656.201.075 — HOUS.FRONT SECT (Qty: 1)
- 4656.303.022 — OUTPUT SHAFT (Qty: 1)
Frequently Asked Questions
What is ZF part number 4656.301.017?
ZF 4656.301.017 is an OEM screen sheet produced by ZF Friedrichshafen AG, one of the world’s largest automotive suppliers. It is designed for use in ZF powershift transmissions, specifically in models such as 4 WG 115, 6 WG 115. This is a genuine ZF component, not an aftermarket reproduction.
Which ZF transmissions use 4656.301.017?
This screen sheet is found in 2 ZF transmission variants, including: 4 WG 115, 6 WG 115. These transmissions are commonly used in wheel loaders, graders, and other heavy construction equipment. Contact us to verify fitment for your specific machine.
Where is ZF 4656.301.017 installed in the transmission?
This screen sheet is located in the transmission housing area of the transmission. It appears in 30 different assembly configurations. In the service manual, look for position number 070 in the Transmission Housing section.
How do I look up ZF part 4656.301.017?
This part can be found under several formats: 4656301017 / 4656.301.017 / 4656 301 017. All formats refer to the same genuine ZF component. When ordering, any of these numbers will work. The official ZF catalog uses the dotted format (4656.301.017).
Where can I buy ZF 4656.301.017?
You can purchase genuine ZF 4656.301.017 from PartsZF.com (operated by Tianjin Xiaohang Construction Machinery Co., Ltd). We maintain direct supply channels with ZF and offer worldwide shipping. Contact our parts specialists for current pricing and lead times.
Need this part? Contact our ZF parts specialist for pricing and availability. We ship worldwide with OEM quality guarantee.
Exploded View / Assembly Diagram
The diagram below shows where ZF 4656.301.017 is located within the transmission assembly.





