ZF 4656.306.155 GASKET
ZF Part Number: 4656.306.155 (also written as 4656306155 / 4656.306.155 / 4656 306 155)
OEM Cross Reference / Interchange Numbers
ZF 4656.306.155 (GASKET) is the original manufacturer part. The following OEM and third-party part numbers are direct cross-references:
| Brand / OEM | Part Number | Type |
|---|---|---|
| 柳工 | SP106155 | OEM Cross Ref |
If you are looking for 柳工 SP106155, the correct ZF original part number is 4656.306.155. This is a 100% genuine ZF replacement, guaranteed to be fully compatible with 柳工 equipment that uses ZF transmissions.
Compatible ZF Transmission Models
This gasket is used in the following ZF transmission models:
- ZF 4 WG 158
- ZF 6 WG 158
- ZF 6 WG 200
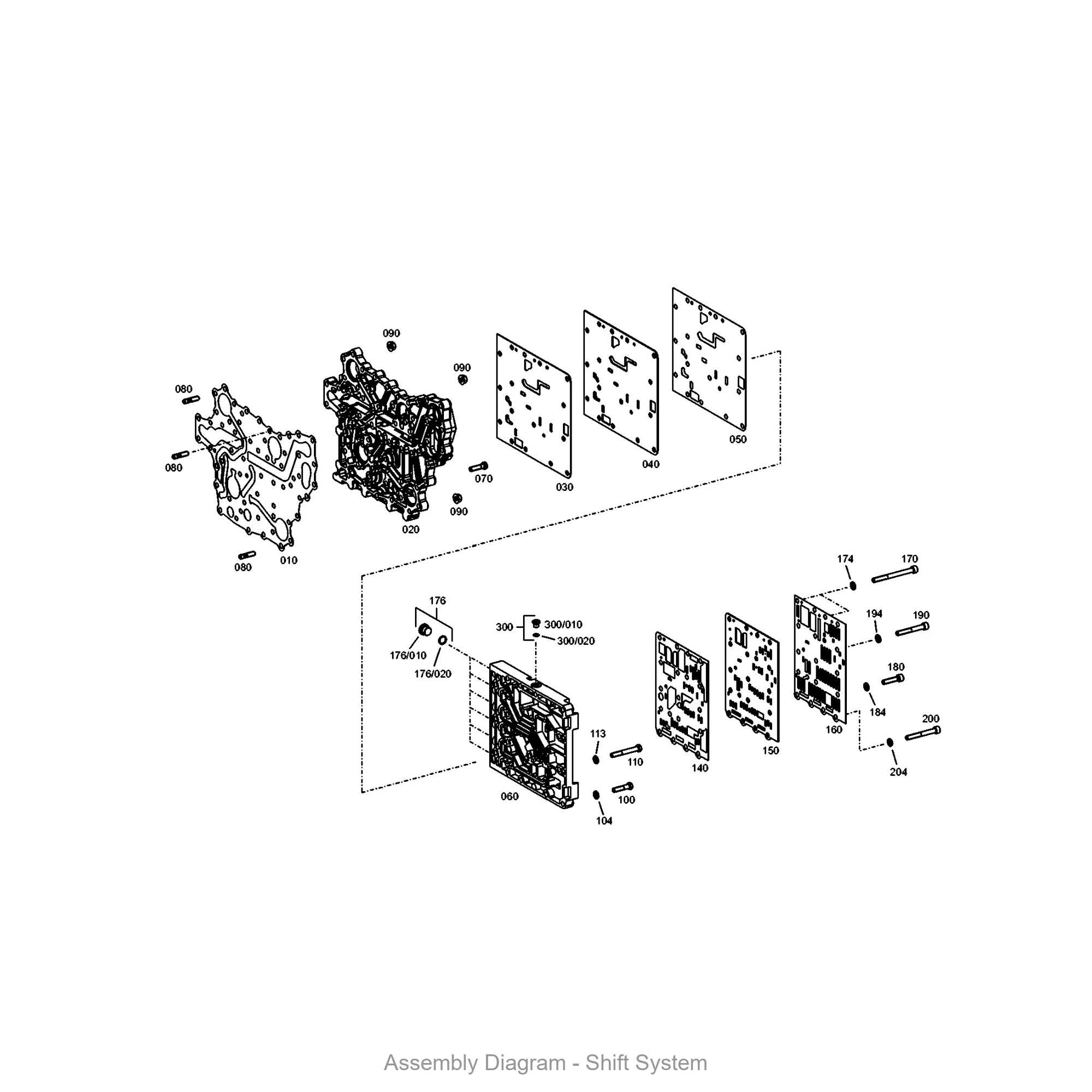
Part Location in Assembly
| Section | Position No. | Qty |
|---|---|---|
| Shift System | 050 | 1 |
Related Parts in Same Assembly
- 0501.211.169 — BRAKE (Qty: 1)
- 0501.211.384 — VALVE (Qty: 1)
- 0501.214.894 — GEAR PUMP (Qty: 1)
- 0750.131.056 — FILTER (Qty: 1)
- 4168.030.270 — CONVERTER (Qty: 1)
- 4642.231.127 — OIL LEVEL TUBE (Qty: 1)
- 4644.306.558 — VALVE BLOCK (Qty: 1)
- 4656.201.016 — HOUS.FRONT SECT (Qty: 1)
Frequently Asked Questions
What is ZF part number 4656.306.155?
ZF 4656.306.155 is an OEM gasket produced by ZF Friedrichshafen AG, one of the world’s largest automotive suppliers. It is designed for use in ZF powershift transmissions, specifically in models such as 4 WG 158, 6 WG 158, 6 WG 200. This is a genuine ZF component, not an aftermarket reproduction.
Which ZF transmissions use 4656.306.155?
This gasket is found in 3 ZF transmission variants, including: 4 WG 158, 6 WG 158, 6 WG 200. These transmissions are commonly used in wheel loaders, graders, and other heavy construction equipment. Contact us to verify fitment for your specific machine.
Where is ZF 4656.306.155 installed in the transmission?
This gasket is located in the shift system area of the transmission. It appears in 12 different assembly configurations. In the service manual, look for position number 050 in the Shift System section.
How do I look up ZF part 4656.306.155?
This part can be found under several formats: 4656306155 / 4656.306.155 / 4656 306 155. All formats refer to the same genuine ZF component. When ordering, any of these numbers will work. The official ZF catalog uses the dotted format (4656.306.155).
When should I replace ZF 4656.306.155?
Replace this seal during every transmission overhaul or if you notice oil leakage at the seal location. Seals are wear items and should not be reused after removal.
Can I reuse ZF 4656.306.155 after disassembly?
No. ZF recommends always installing new seals during reassembly. Reusing seals may result in leaks and premature failure.
Where can I buy ZF 4656.306.155?
You can purchase genuine ZF 4656.306.155 from PartsZF.com (operated by Tianjin Xiaohang Construction Machinery Co., Ltd). We maintain direct supply channels with ZF and offer worldwide shipping. Contact our parts specialists for current pricing and lead times.
Need this part? Contact our ZF parts specialist for pricing and availability. We ship worldwide with OEM quality guarantee.
Exploded View / Assembly Diagram
The diagram below shows where ZF 4656.306.155 is located within the transmission assembly.




