ZF 4661.301.093 TUBE
ZF Part Number: 4661.301.093 (also written as 4661301093 / 4661.301.093 / 4661 301 093)
Compatible ZF Transmission Models
This tube is used in the following ZF transmission models:
- ZF 4 WG 90
- ZF 4 WG 94
Part Location in Assembly
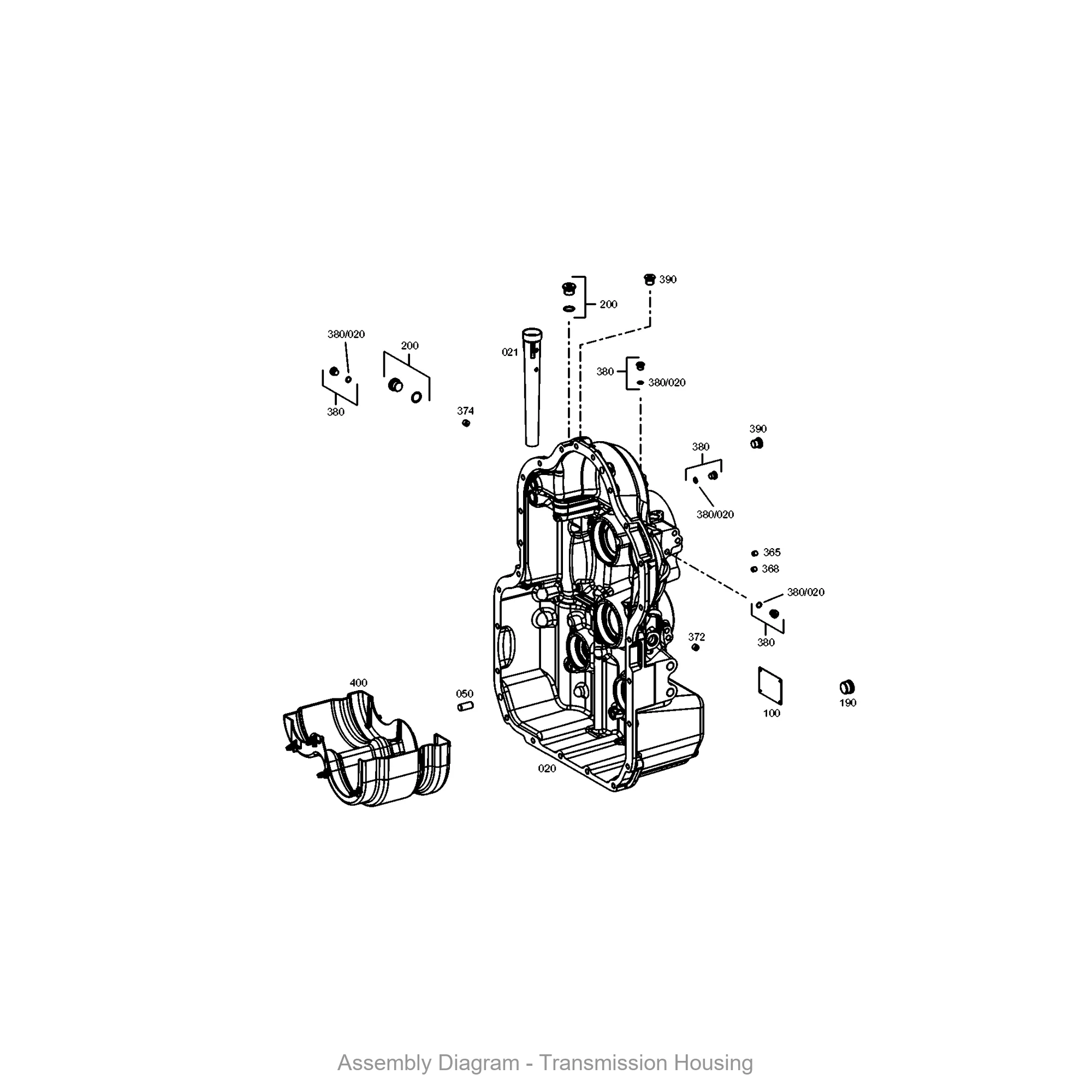
| Section | Position No. | Qty |
|---|---|---|
| Transmission Housing | 021 | 1 |
Related Parts in Same Assembly
- 4661.198.001 — PERIPHERALS (Qty: 1)
- 4661.101.001 — TRANSMISSION HOUSING (Qty: 1)
- 4661.101.801 — TRANSMISSION HOUSING (Qty: 1)
- 4661.102.001 — INPUT (Qty: 1)
- 4661.103.001 — OUTPUT (Qty: 1)
- 4661.175.001 — COUPLING (Qty: 1)
- 4661.171.001 — COUPLING (Qty: 1)
- 4661.172.001 — CLUTCH (Qty: 1)
Frequently Asked Questions
What is ZF part number 4661.301.093?
ZF 4661.301.093 is an OEM tube produced by ZF Friedrichshafen AG, one of the world’s largest automotive suppliers. It is designed for use in ZF powershift transmissions, specifically in models such as 4 WG 90, 4 WG 94. This is a genuine ZF component, not an aftermarket reproduction.
Which ZF transmissions use 4661.301.093?
This tube is found in 2 ZF transmission variants, including: 4 WG 90, 4 WG 94. These transmissions are commonly used in wheel loaders, graders, and other heavy construction equipment. Contact us to verify fitment for your specific machine.
Where is ZF 4661.301.093 installed in the transmission?
This tube is located in the transmission housing area of the transmission. It appears in 30 different assembly configurations. In the service manual, look for position number 021 in the Transmission Housing section.
How do I look up ZF part 4661.301.093?
This part can be found under several formats: 4661301093 / 4661.301.093 / 4661 301 093. All formats refer to the same genuine ZF component. When ordering, any of these numbers will work. The official ZF catalog uses the dotted format (4661.301.093).
Where can I buy ZF 4661.301.093?
You can purchase genuine ZF 4661.301.093 from PartsZF.com (operated by Tianjin Xiaohang Construction Machinery Co., Ltd). We maintain direct supply channels with ZF and offer worldwide shipping. Contact our parts specialists for current pricing and lead times.
Need this part? Contact our ZF parts specialist for pricing and availability. We ship worldwide with OEM quality guarantee.
Exploded View / Assembly Diagram
The diagram below shows where ZF 4661.301.093 is located within the transmission assembly.


