ZF 0636.305.026 SCREW PLUG
ZF Part Number: 0636.305.026 (also written as 0636305026 / 0636.305.026 / 0636 305 026)
OEM Cross Reference / Interchange Numbers
ZF 0636.305.026 (SCREW PLUG) is the original manufacturer part. The following OEM and third-party part numbers are direct cross-references:
| Brand / OEM | Part Number | Type |
|---|---|---|
| 山东临工 | 7200001444 | OEM Cross Ref |
| 柳工 | SP100117 | OEM Cross Ref |
| 柳工 | SP100117RE | OEM Cross Ref |
This ZF part (0636.305.026) directly replaces the following OEM numbers: 山东临工: 7200001444; 柳工: SP100117, SP100117RE. All listed cross-reference numbers are confirmed compatible with ZF 0636.305.026.
Compatible ZF Transmission Models
This screw plug is used in the following ZF transmission models:
- ZF 3 WG 200
- ZF 4 WG 150
- ZF 4 WG 180
- ZF 4 WG 180(555)
- ZF 4 WG 200(555/5)
- ZF 6 WG 150
- ZF 6 WG 180(555)
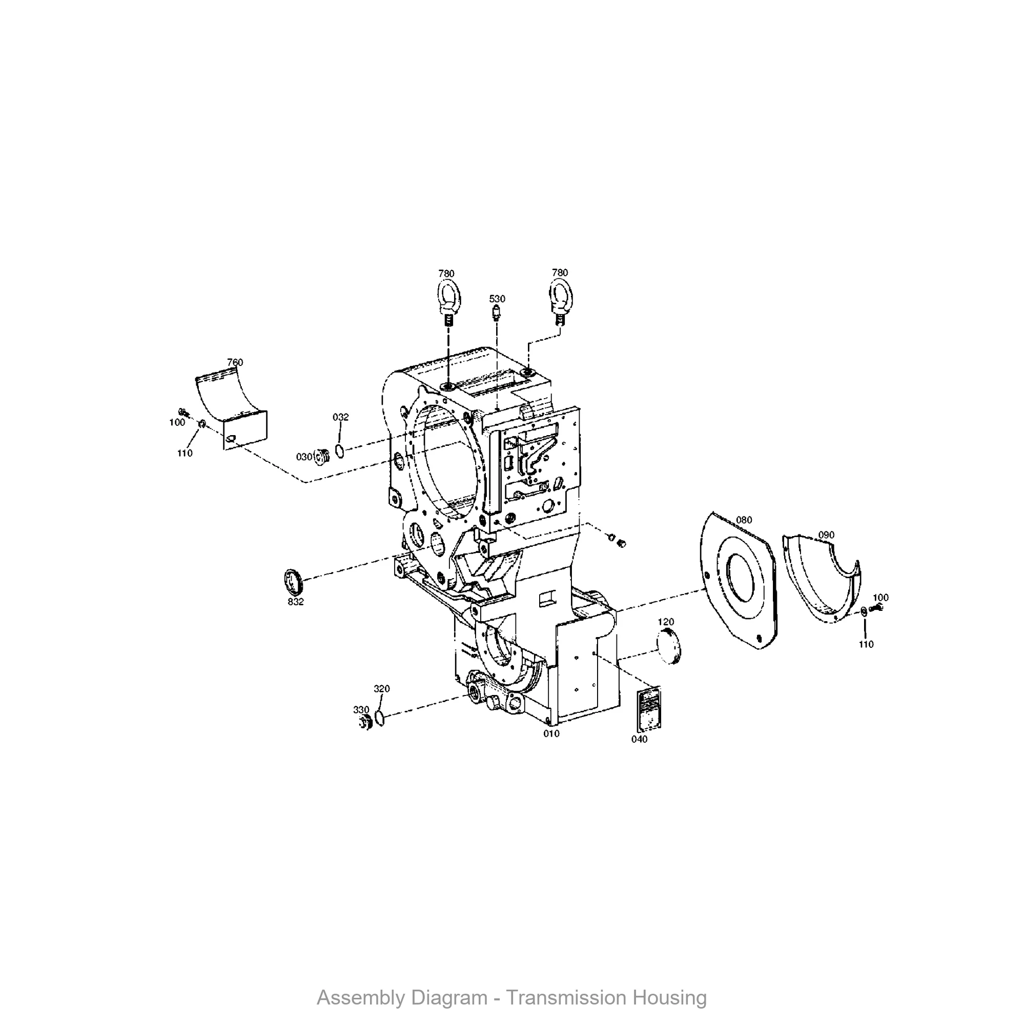
Part Location in Assembly
| Section | Position No. | Qty |
|---|---|---|
| Oil Pipe | 040 | 1 |
| Transmission Housing | 01.330 | 1 |
| Transmission Housing | 01.814 | 1 |
| Transmission Housing | 330 | 1 |
| Transmission Housing | 814 | 1 |
Related Parts in Same Assembly
- 0501.211.287 — RANGE SELECTOR (Qty: 1)
- 0501.317.160 — INDUCTIVE SENSOR (Qty: 1)
- 4168.030.110 — CONVERTER (Qty: 1)
- 4642.221.149 — SUCTION TUBE (Qty: 1)
- 4642.301.205 — TRANSMISSION HOUSING (Qty: 1)
- 4642.302.161 — INPUT SHAFT (Qty: 1)
- 4642.303.002 — OUTPUT SHAFT (Qty: 1)
- 4642.308.549 — AXLE (Qty: 1)
Frequently Asked Questions
What is ZF part number 0636.305.026?
ZF 0636.305.026 is an OEM screw plug produced by ZF Friedrichshafen AG, one of the world’s largest automotive suppliers. It is designed for use in ZF powershift transmissions, specifically in models such as 3 WG 200, 4 WG 150, 4 WG 180, 4 WG 180(555), 4 WG 200(555/5). This is a genuine ZF component, not an aftermarket reproduction.
Which ZF transmissions use 0636.305.026?
This screw plug is found in 7 ZF transmission variants, including: 3 WG 200, 4 WG 150, 4 WG 180, 4 WG 180(555), 4 WG 200(555/5), 6 WG 150, 6 WG 180(555). These transmissions are commonly used in wheel loaders, graders, and other heavy construction equipment. Contact us to verify fitment for your specific machine.
Where is ZF 0636.305.026 installed in the transmission?
This screw plug is located in the transmission housing area of the transmission. It appears in 30 different assembly configurations. In the service manual, look for position number 040 in the Oil Pipe section.
How do I look up ZF part 0636.305.026?
This part can be found under several formats: 0636305026 / 0636.305.026 / 0636 305 026. All formats refer to the same genuine ZF component. When ordering, any of these numbers will work. The official ZF catalog uses the dotted format (0636.305.026).
Where can I buy ZF 0636.305.026?
You can purchase genuine ZF 0636.305.026 from PartsZF.com (operated by Tianjin Xiaohang Construction Machinery Co., Ltd). We maintain direct supply channels with ZF and offer worldwide shipping. Contact our parts specialists for current pricing and lead times.
Need this part? Contact our ZF parts specialist for pricing and availability. We ship worldwide with OEM quality guarantee.
Exploded View / Assembly Diagram
The diagram below shows where ZF 0636.305.026 is located within the transmission assembly.

Authorized ZF Distributor
We are a certified supplier of genuine ZF components.





