ZF 0637.100.646 SOCKET
ZF Part Number: 0637.100.646 (also written as 0637100646 / 0637.100.646 / 0637 100 646)
Compatible ZF Transmission Models
This socket is used in the following ZF transmission models:
- ZF 3 WG 310
- ZF 4 WG 260(2)
Part Location in Assembly
| Section | Position No. | Qty |
|---|---|---|
| Oil Pipes | 013 | 1 |
| Oil Pipes | 040 | 1 |
| Oil Supply | 680 | 1 |
| Pump Drive | 380 | 2 |
| Rear Axle Hous. | 281 | 1 |
| Rear Axle Hous. | 305 | 1 |
| Rear Axle Hous. | 340 | 1 |
| Rear Axle Hous. | 670 | 1 |
| Rear Axle Housing | 340 | 1 |
Related Parts in Same Assembly
- 0501.215.886 — BRAKE (Qty: 2)
- 0501.222.007 — VALVE BLOCK (Qty: 1)
- 0750.117.075 — TAPER ROLLER BEARING (Qty: 2)
- 2093.206.002 — GEARSHIFT SHAFT (Qty: 1)
- 2093.229.004 — BRACKET (Qty: 1)
- 2093.240.001 — LIFTING SHAFT (Qty: 1)
- 2093.298.147 — HOUSING (Qty: 1)
- 2093.298.163 — REPAIR KIT (Qty: 1)
Frequently Asked Questions
What is ZF part number 0637.100.646?
ZF 0637.100.646 is an OEM socket produced by ZF Friedrichshafen AG, one of the world’s largest automotive suppliers. It is designed for use in ZF powershift transmissions, specifically in models such as 3 WG 310, 4 WG 260(2). This is a genuine ZF component, not an aftermarket reproduction.
Which ZF transmissions use 0637.100.646?
This socket is found in 2 ZF transmission variants, including: 3 WG 310, 4 WG 260(2). These transmissions are commonly used in wheel loaders, graders, and other heavy construction equipment. Contact us to verify fitment for your specific machine.
Where is ZF 0637.100.646 installed in the transmission?
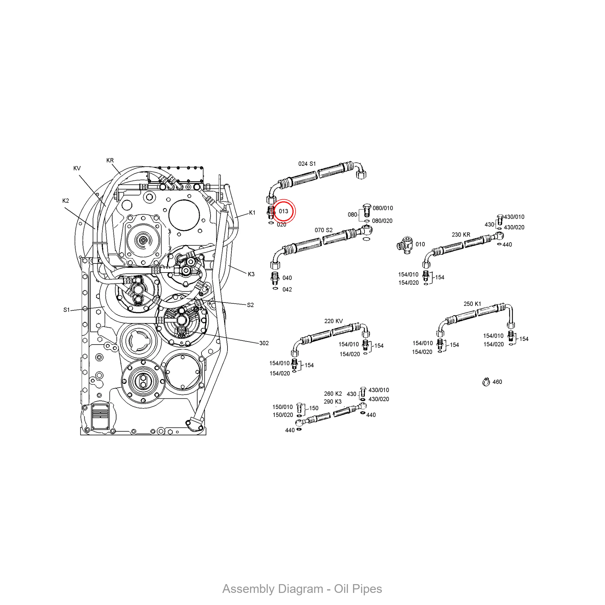
This socket is located in the rear axle hous., rear axle housing area of the transmission. It appears in 30 different assembly configurations. In the service manual, look for position number 013 in the Oil Pipes section.
How do I look up ZF part 0637.100.646?
This part can be found under several formats: 0637100646 / 0637.100.646 / 0637 100 646. All formats refer to the same genuine ZF component. When ordering, any of these numbers will work. The official ZF catalog uses the dotted format (0637.100.646).
Where can I buy ZF 0637.100.646?
You can purchase genuine ZF 0637.100.646 from PartsZF.com (operated by Tianjin Xiaohang Construction Machinery Co., Ltd). We maintain direct supply channels with ZF and offer worldwide shipping. Contact our parts specialists for current pricing and lead times.
Need this part? Contact our ZF parts specialist for pricing and availability. We ship worldwide with OEM quality guarantee.
Exploded View / Assembly Diagram
The diagram below shows where ZF 0637.100.646 is located within the transmission assembly.






