ZF 0750.117.551 TAPER ROLLER BEARING
ZF Part Number: 0750.117.551 (also written as 0750117551 / 0750.117.551 / 0750 117 551)
Compatible ZF Transmission Models
This taper roller bearing is used in the following ZF transmission models:
- ZF 3 WG 100(500)
- ZF 3 WG 130
- ZF 3 WG 131
- ZF 3 WG 160
- ZF 3 WG 171
- ZF 3 WG 190
- ZF 3 WG 191
- ZF 3 WG 200
- ZF 3 WG 201
- ZF 3 WG 210
- ZF 3 WG 211
- ZF 3 WG 251
- ZF 3 WG 260
- ZF 3 WG 261
- ZF 3 WG 310
…and 19 additional models. Contact us to confirm fitment for your specific unit.
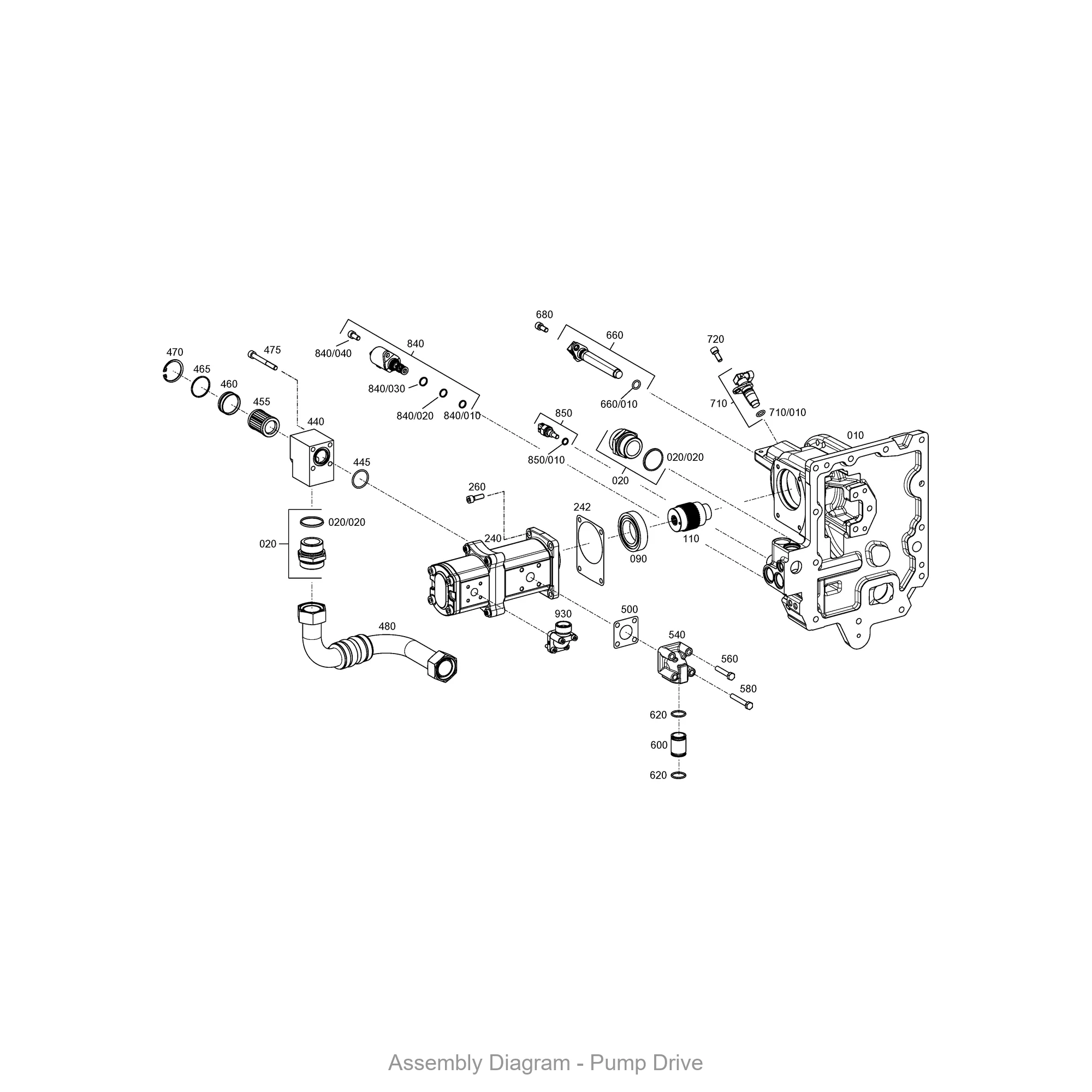
Part Location in Assembly
| Section | Position No. | Qty |
|---|---|---|
| Pump Drive | 280 | 2 |
Related Parts in Same Assembly
- 5838.300.288 — CLUTCH BELL HOUSING (Qty: 1)
- 0501.222.007 — VALVE BLOCK (Qty: 1)
- 0501.325.280 — SOLENOID VALVE (Qty: 1)
- 0501.327.379 — O-RING (Qty: 1)
- 0501.327.378 — O-RING (Qty: 1)
- 0501.327.380 — O-RING (Qty: 1)
- 0501.327.381 — SCREW (Qty: 1)
- 0750.117.075 — TAPER ROLLER BEARING (Qty: 2)
Frequently Asked Questions
What is ZF part number 0750.117.551?
ZF 0750.117.551 is an OEM taper roller bearing produced by ZF Friedrichshafen AG, one of the world’s largest automotive suppliers. It is designed for use in ZF powershift transmissions, specifically in models such as 3 WG 100(500), 3 WG 130, 3 WG 131, 3 WG 160, 3 WG 171. This is a genuine ZF component, not an aftermarket reproduction.
Which ZF transmissions use 0750.117.551?
This taper roller bearing is found in 34 ZF transmission variants, including: 3 WG 100(500), 3 WG 130, 3 WG 131, 3 WG 160, 3 WG 171, 3 WG 190, 3 WG 191, 3 WG 200, 3 WG 201, 3 WG 210. These transmissions are commonly used in wheel loaders, graders, and other heavy construction equipment. Contact us to verify fitment for your specific machine.
Where is ZF 0750.117.551 installed in the transmission?
This taper roller bearing is located in the pump drive area of the transmission. It appears in 30 different assembly configurations. In the service manual, look for position number 280 in the Pump Drive section.
How do I look up ZF part 0750.117.551?
This part can be found under several formats: 0750117551 / 0750.117.551 / 0750 117 551. All formats refer to the same genuine ZF component. When ordering, any of these numbers will work. The official ZF catalog uses the dotted format (0750.117.551).
How do I replace ZF 0750.117.551?
Replacement of ZF 0750.117.551 should be performed by a qualified technician. Ensure the transmission is drained and the housing is properly supported before removal. Always replace bearings in pairs when possible.
What is the expected service life of ZF 0750.117.551?
Under normal operating conditions with proper lubrication, this bearing typically lasts the full transmission overhaul interval. Replace during scheduled overhauls or if abnormal noise, vibration, or increased operating temperature is detected.
Where can I buy ZF 0750.117.551?
You can purchase genuine ZF 0750.117.551 from PartsZF.com (operated by Tianjin Xiaohang Construction Machinery Co., Ltd). We maintain direct supply channels with ZF and offer worldwide shipping. Contact our parts specialists for current pricing and lead times.
Need this part? Contact our ZF parts specialist for pricing and availability. We ship worldwide with OEM quality guarantee.
Exploded View / Assembly Diagram
The diagram below shows where ZF 0750.117.551 is located within the transmission assembly.



