ZF 4642.301.217 TRANSMISSION HOUSING
ZF Part Number: 4642.301.217 (also written as 4642301217 / 4642.301.217 / 4642 301 217)
Compatible ZF Transmission Models
This transmission housing is used in the following ZF transmission models:
- ZF 4 WG 150
Part Location in Assembly
| Section | Position No. | Qty |
|---|---|---|
| Transmission Housing | 010 | 1 |
Related Parts in Same Assembly
- 0501.317.160 — INDUCTIVE SENSOR (Qty: 1)
- 4168.030.081 — CONVERTER (Qty: 1)
- 4642.221.149 — SUCTION TUBE (Qty: 1)
- 4642.302.161 — INPUT SHAFT (Qty: 1)
- 4642.303.002 — OUTPUT SHAFT (Qty: 1)
- 4642.308.549 — AXLE (Qty: 1)
- 4642.330.189 — CONNECTING HOUSING (Qty: 1)
- 4644.306.362 — GASKET (Qty: 1)
Frequently Asked Questions
What is ZF part number 4642.301.217?
ZF 4642.301.217 is an OEM transmission housing produced by ZF Friedrichshafen AG, one of the world’s largest automotive suppliers. It is designed for use in ZF powershift transmissions, specifically in models such as 4 WG 150. This is a genuine ZF component, not an aftermarket reproduction.
Which ZF transmissions use 4642.301.217?
This transmission housing is found in 1 ZF transmission variants, including: 4 WG 150. These transmissions are commonly used in wheel loaders, graders, and other heavy construction equipment. Contact us to verify fitment for your specific machine.
Where is ZF 4642.301.217 installed in the transmission?
This transmission housing is located in the transmission housing area of the transmission. It appears in 2 different assembly configurations. In the service manual, look for position number 010 in the Transmission Housing section.
How do I look up ZF part 4642.301.217?
This part can be found under several formats: 4642301217 / 4642.301.217 / 4642 301 217. All formats refer to the same genuine ZF component. When ordering, any of these numbers will work. The official ZF catalog uses the dotted format (4642.301.217).
Where can I buy ZF 4642.301.217?
You can purchase genuine ZF 4642.301.217 from PartsZF.com (operated by Tianjin Xiaohang Construction Machinery Co., Ltd). We maintain direct supply channels with ZF and offer worldwide shipping. Contact our parts specialists for current pricing and lead times.
Need this part? Contact our ZF parts specialist for pricing and availability. We ship worldwide with OEM quality guarantee.
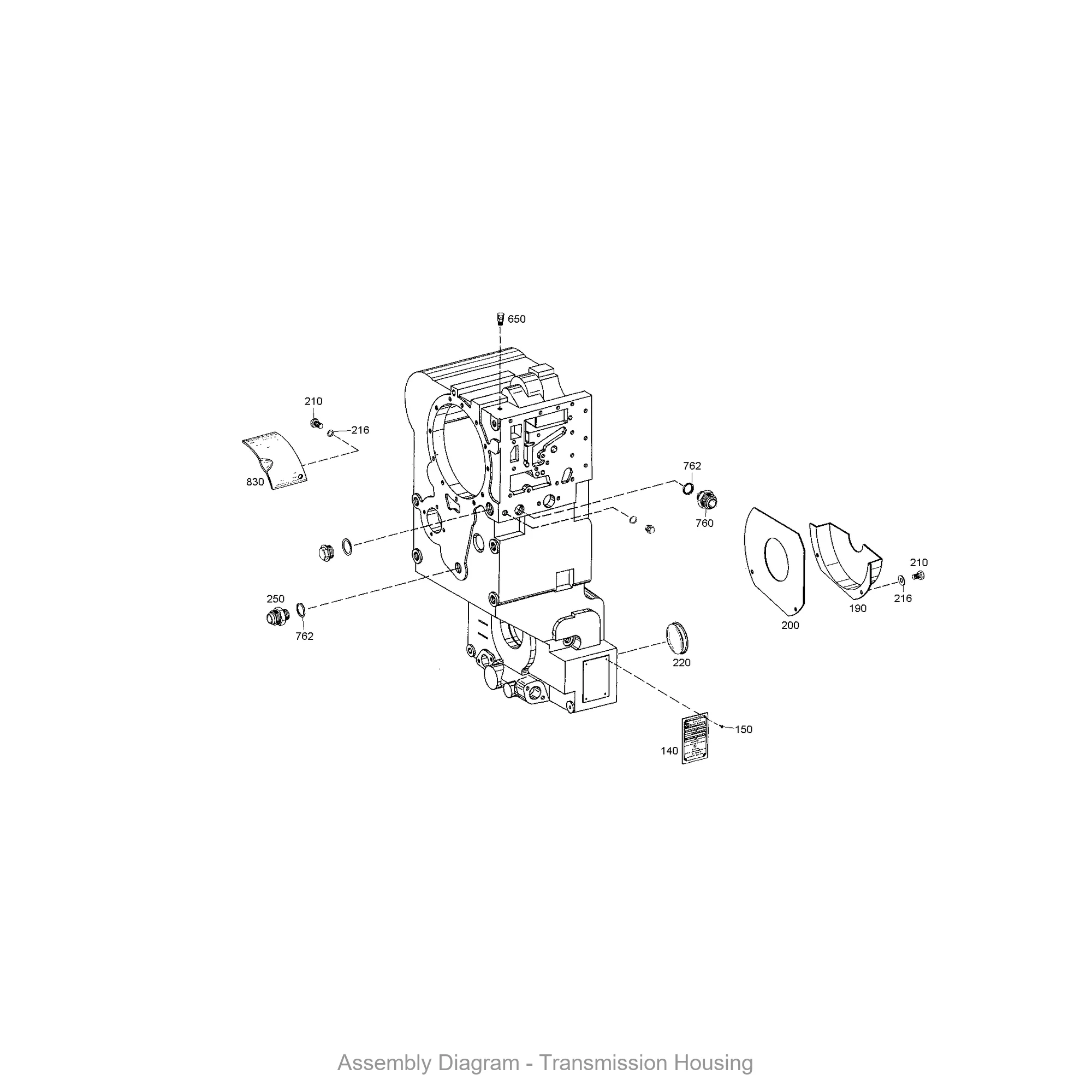
Exploded View / Assembly Diagram
The diagram below shows where ZF 4642.301.217 is located within the transmission assembly.





