ZF 0636.010.156 HEXAGON SCREW
ZF Part Number: 0636.010.156 (also written as 0636010156 / 0636.010.156 / 0636 010 156)
Compatible ZF Transmission Models
This hexagon screw is used in the following ZF transmission models:
- ZF 3 WG 251
- ZF 3 WG 260
- ZF 3 WG 310
- ZF 4 WG 250(2)
- ZF 4 WG 251
- ZF 4 WG 260
- ZF 4 WG 260(1)
- ZF 4 WG 260(2)
- ZF 4 WG 308
- ZF 4 WG 310
- ZF 4 WG 65
- ZF 4 WG 65 II(D)
- ZF 6 WG 250
- ZF 6 WG 260
- ZF 6 WG 310
…and 1 additional models. Contact us to confirm fitment for your specific unit.
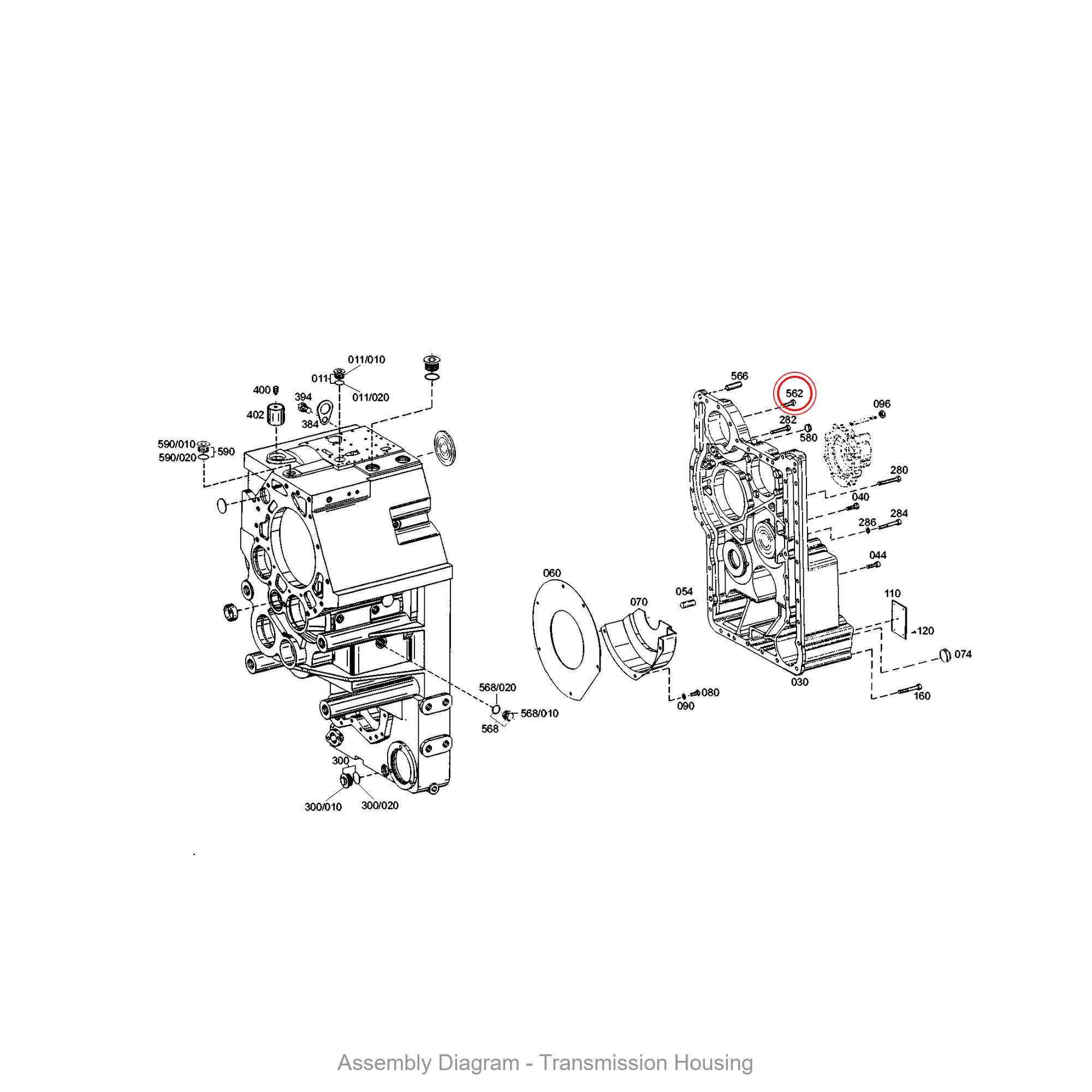
Part Location in Assembly
| Section | Position No. | Qty |
|---|---|---|
| Front Wh.Drive | 210 | 1 |
| Input | 218 | 11 |
| Pump Drive | 480 | 13 |
| Transmission Housing | 01.255 | 6 |
| Transmission Housing | 01.358 | 6 |
| Transmission Housing | 240 | 6 |
| Transmission Housing | 255 | 6 |
| Transmission Housing | 284 | 8 |
| Transmission Housing | 286 | 6 |
| Transmission Housing | 358 | 6 |
| Transmission Housing | 562 | 7 |
Related Parts in Same Assembly
- 0637.101.206 — BULKHEAD UNION (Qty: 1)
- 2093.377.035 — VALVE BLOCK (Qty: 1)
- 2094.206.001 — GEARSHIFT SHAFT (Qty: 1)
- 2094.303.036 — COUNTERSHAFT (Qty: 1)
- 2094.304.054 — MAIN SHAFT (Qty: 1)
- 2094.313.068 — CLUTCH SHAFT (Qty: 1)
- 2094.352.046 — VALVE HOUSING (Qty: 1)
- 2094.306.053 — GEARSHIFT SHAFT (Qty: 1)
Frequently Asked Questions
What is ZF part number 0636.010.156?
ZF 0636.010.156 is an OEM hexagon screw produced by ZF Friedrichshafen AG, one of the world’s largest automotive suppliers. It is designed for use in ZF powershift transmissions, specifically in models such as 3 WG 251, 3 WG 260, 3 WG 310, 4 WG 250(2), 4 WG 251. This is a genuine ZF component, not an aftermarket reproduction.
Which ZF transmissions use 0636.010.156?
This hexagon screw is found in 16 ZF transmission variants, including: 3 WG 251, 3 WG 260, 3 WG 310, 4 WG 250(2), 4 WG 251, 4 WG 260, 4 WG 260(1), 4 WG 260(2), 4 WG 308, 4 WG 310. These transmissions are commonly used in wheel loaders, graders, and other heavy construction equipment. Contact us to verify fitment for your specific machine.
Where is ZF 0636.010.156 installed in the transmission?
This hexagon screw is located in the front wh.drive, pump drive area of the transmission. It appears in 30 different assembly configurations. In the service manual, look for position number 210 in the Front Wh.Drive section.
How do I look up ZF part 0636.010.156?
This part can be found under several formats: 0636010156 / 0636.010.156 / 0636 010 156. All formats refer to the same genuine ZF component. When ordering, any of these numbers will work. The official ZF catalog uses the dotted format (0636.010.156).
Where can I buy ZF 0636.010.156?
You can purchase genuine ZF 0636.010.156 from PartsZF.com (operated by Tianjin Xiaohang Construction Machinery Co., Ltd). We maintain direct supply channels with ZF and offer worldwide shipping. Contact our parts specialists for current pricing and lead times.
Need this part? Contact our ZF parts specialist for pricing and availability. We ship worldwide with OEM quality guarantee.
Exploded View / Assembly Diagram
The diagram below shows where ZF 0636.010.156 is located within the transmission assembly.





