ZF 4644.159.347 SHIFT SYSTEM
ZF Part Number: 4644.159.347 (also written as 4644159347 / 4644.159.347 / 4644 159 347)
OEM Cross Reference / Interchange Numbers
ZF 4644.159.347 (SHIFT SYSTEM) is the original manufacturer part. The following OEM and third-party part numbers are direct cross-references:
| Brand / OEM | Part Number | Type |
|---|---|---|
| 徐工铲运RZ | 860324211 | OEM Cross Ref |
| 徐工铲运 | 860116156 | OEM Cross Ref |
| 柳工 | SP100411 | OEM Cross Ref |
This ZF part (4644.159.347) directly replaces the following OEM numbers: 徐工铲运RZ: 860324211; 徐工铲运: 860116156; 柳工: SP100411. All listed cross-reference numbers are confirmed compatible with ZF 4644.159.347.
Compatible ZF Transmission Models
This shift system is used in the following ZF transmission models:
- ZF 4 WG 158
- ZF 4 WG 180(555)
- ZF 4 WG 200
- ZF 4 WG 200(555/5)
- ZF 4 WG 208
Related Parts in Same Assembly
- 0501.008.070 — BRAKE (Qty: 1)
- 0501.224.618 — BRAKE BLOCK (Qty: 2)
- 0750.131.053 — REPLACEMENT FILTER (Qty: 2)
- 4168.030.105 — CONVERTER (Qty: 1)
- 4644.221.196 — SUCTION TUBE (Qty: 1)
- 4644.231.179 — OIL LEVEL TUBE (Qty: 1)
- 4644.301.402 — TRANSMISSION HOUSING (Qty: 1)
- 4644.302.188 — INPUT SHAFT (Qty: 1)
Supersessions
4644.159.347 → 4644.159.347
Frequently Asked Questions
What is ZF part number 4644.159.347?
ZF 4644.159.347 is an OEM shift system produced by ZF Friedrichshafen AG, one of the world’s largest automotive suppliers. It is designed for use in ZF powershift transmissions, specifically in models such as 4 WG 158, 4 WG 180(555), 4 WG 200, 4 WG 200(555/5), 4 WG 208. This is a genuine ZF component, not an aftermarket reproduction.
Which ZF transmissions use 4644.159.347?
This shift system is found in 5 ZF transmission variants, including: 4 WG 158, 4 WG 180(555), 4 WG 200, 4 WG 200(555/5), 4 WG 208. These transmissions are commonly used in wheel loaders, graders, and other heavy construction equipment. Contact us to verify fitment for your specific machine.
Where is ZF 4644.159.347 installed in the transmission?
This shift system is located in the shift system area of the transmission. It appears in 30 different assembly configurations.
How do I look up ZF part 4644.159.347?
This part can be found under several formats: 4644159347 / 4644.159.347 / 4644 159 347. All formats refer to the same genuine ZF component. When ordering, any of these numbers will work. The official ZF catalog uses the dotted format (4644.159.347).
Where can I buy ZF 4644.159.347?
You can purchase genuine ZF 4644.159.347 from PartsZF.com (operated by Tianjin Xiaohang Construction Machinery Co., Ltd). We maintain direct supply channels with ZF and offer worldwide shipping. Contact our parts specialists for current pricing and lead times.
Need this part? Contact our ZF parts specialist for pricing and availability. We ship worldwide with OEM quality guarantee.
Product Photos
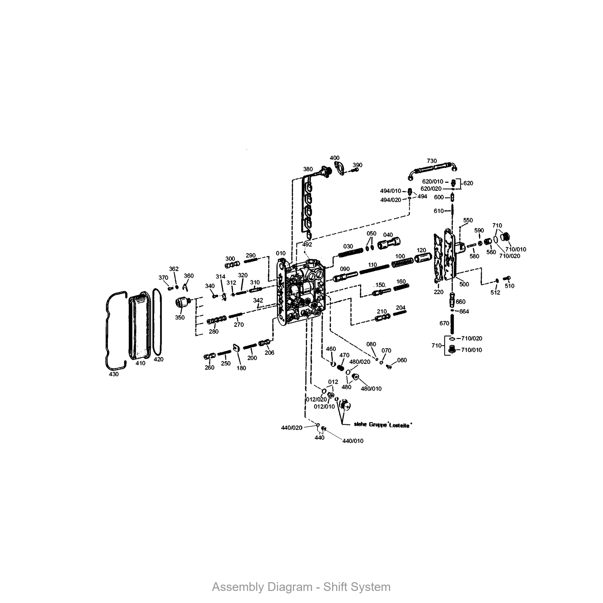
Exploded View / Assembly Diagram
The diagram below shows where ZF 4644.159.347 is located within the transmission assembly.

Authorized ZF Distributor
We are a certified supplier of genuine ZF components.

















