ZF 4644.303.553 OUTPUT FLANGE
ZF Part Number: 4644.303.553 (also written as 4644303553 / 4644.303.553 / 4644 303 553)
Compatible ZF Transmission Models
This output flange is used in the following ZF transmission models:
- ZF 4 WG 200(555)
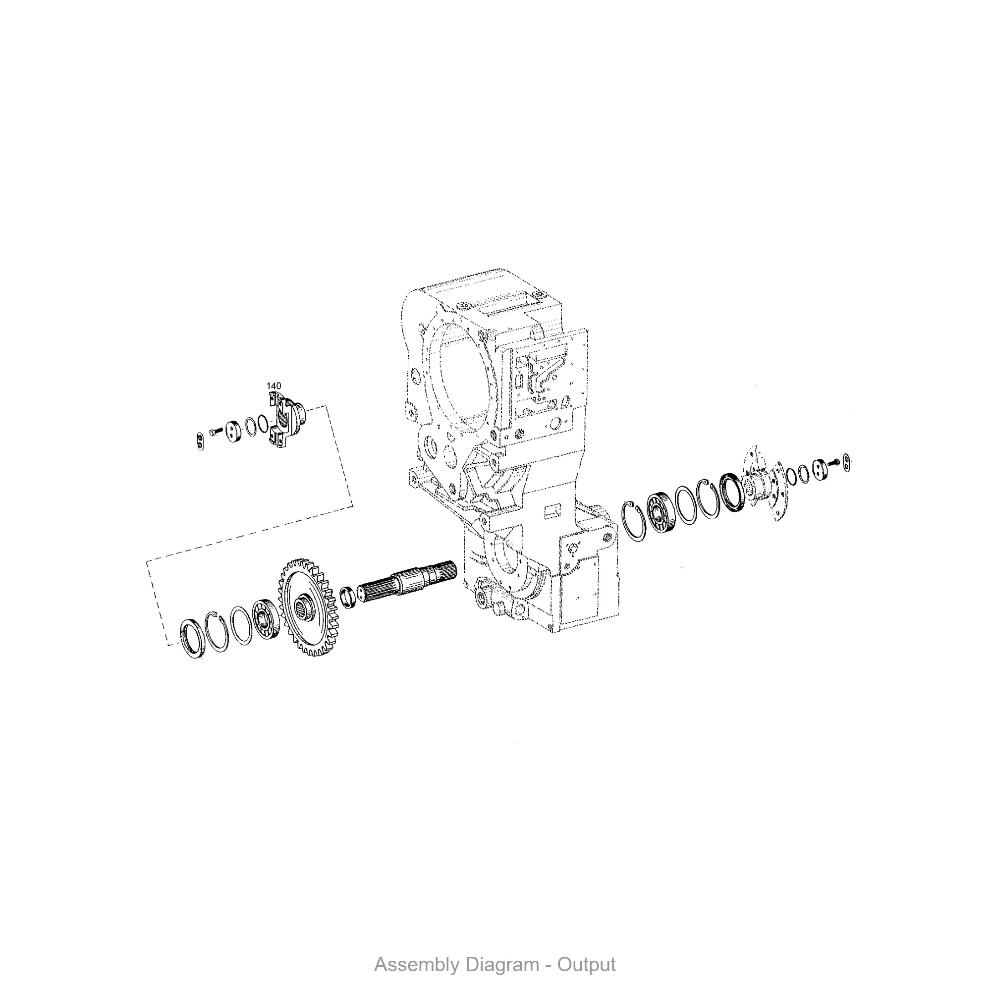
Part Location in Assembly
| Section | Position No. | Qty |
|---|---|---|
| Output | 140 | 1 |
Related Parts in Same Assembly
- 0501.216.205 — RANGE SELECTOR (Qty: 1)
- 0501.317.159 — INDUCTIVE SENSOR (Qty: 1)
- 0501.317.160 — INDUCTIVE SENSOR (Qty: 1)
- 4168.034.042 — CONVERTER (Qty: 1)
- 4644.221.196 — SUCTION TUBE (Qty: 1)
- 4644.301.225 — TRANSMISSION HOUSING (Qty: 1)
- 4644.302.188 — INPUT SHAFT (Qty: 1)
- 4644.303.216 — OUTPUT SHAFT (Qty: 1)
Frequently Asked Questions
What is ZF part number 4644.303.553?
ZF 4644.303.553 is an OEM output flange produced by ZF Friedrichshafen AG, one of the world’s largest automotive suppliers. It is designed for use in ZF powershift transmissions, specifically in models such as 4 WG 200(555). This is a genuine ZF component, not an aftermarket reproduction.
Which ZF transmissions use 4644.303.553?
This output flange is found in 1 ZF transmission variants, including: 4 WG 200(555). These transmissions are commonly used in wheel loaders, graders, and other heavy construction equipment. Contact us to verify fitment for your specific machine.
Where is ZF 4644.303.553 installed in the transmission?
This output flange is located in the output area of the transmission. It appears in 1 different assembly configurations. In the service manual, look for position number 140 in the Output section.
How do I look up ZF part 4644.303.553?
This part can be found under several formats: 4644303553 / 4644.303.553 / 4644 303 553. All formats refer to the same genuine ZF component. When ordering, any of these numbers will work. The official ZF catalog uses the dotted format (4644.303.553).
Where can I buy ZF 4644.303.553?
You can purchase genuine ZF 4644.303.553 from PartsZF.com (operated by Tianjin Xiaohang Construction Machinery Co., Ltd). We maintain direct supply channels with ZF and offer worldwide shipping. Contact our parts specialists for current pricing and lead times.
Need this part? Contact our ZF parts specialist for pricing and availability. We ship worldwide with OEM quality guarantee.
Exploded View / Assembly Diagram
The diagram below shows where ZF 4644.303.553 is located within the transmission assembly.

Authorized ZF Distributor
We are a certified supplier of genuine ZF components.




